Запасные части ЧТЗ Запасные части ЧТЗ
Владивосток
Например:
Актобе
Алдан
или
Выбрать автоматически
Актобе
Алдан
Алматы
Алчевск
Архангельск
Астана
Астрахань
Атырау
Баку
Балашиха
Барнаул
Белгород
Бердянск
Бишкек
Владивосток
Владикавказ
Воркута
Воронеж
Горловка
Грозный
Донецк
Екатеринбург
Иваново
Ижевск
Иркутск
Казань
Калининград
Каменск-Уральский
Караганда
Каховка
Кемерово
Киров
Комсомольск-на-Амуре
Костанай
Краснодар
Красноярск
Красный луч
Ленск
Луганск
Магадан
Магнитогорск
Макеевка
Махачкала
Мелитополь
Минск
Мирный (Якутия)
Москва
Мурманск
Нерюнгри
Нижневартовск
Нижний Новгород
Нижний Тагил
Новая каховка
Новокузнецк
Новосибирск
Новый Уренгой
Норильск
Ноябрьск
Нур-Султан
Омск
Оренбург
Ош
Павлодар
Пермь
Петрозаводск
Петропавловск
Петропавловск-Камчатский
Псков
Ростов-на-Дону
Салехард
Самара
Санкт-Петербург
Саратов
Севастополь
Семей
Симферополь
Сочи
Ставрополь
Сургут
Сыктывкар
Тараз
Ташкент
Токмак
Томск
Тында
Тюмень
Ульяновск
Усинск
Усть-Каменогорск
Уфа
Хабаровск
Ханты-Мансийск
Херсон
Челябинск
Чита
Шымкент
Экибастуз
Энергодар
Южно-Сахалинск
Якутск
Ваш город
Владивосток
Войти
Запасные части к тракторам на одном сайте
+7 (932) 303-00-10
+7 (932) 303-00-10
г. Владивосток, ул. Посадская, д. 20
Пн-Пт: 9:30-18:30 Cб-Вс: Выходной
Отправить заявку


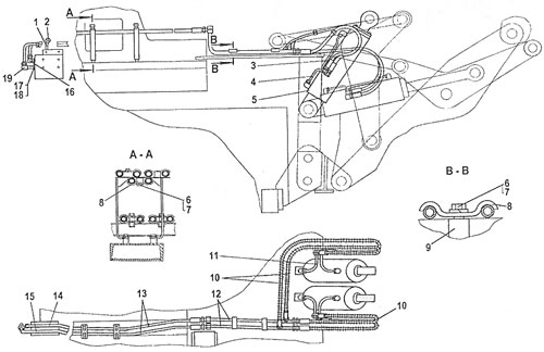
Гидросистема противовеса на ТР20 и ТР12


/
с НДС 20%
Описание
Гидросистема противовеса ТР20 и ТР12
Поз.ОбозначениеНаименованиеКол-во
148-26-247СПРычаг1
2Рукоятка 13310СП1
350-50-146СПТруба1
450-50-145СПТруба2
5Гидроцилиндр 50-50-225СП2
6M12-6gx25.88.35Болт 4
7Шайба 12 ОТ 65Г 09 4
8Прижим 50-60-2304
9700-51-2025Бонка2
10Рукав с защитой 64-26-27-06СП 64-26-27-01СП4
1150-50-147СПТруба1
1271-26-118СПТруба2
1350-26-485-10СП; 50-26-485-11СПРукав 162
1471-26-108СПТруба1
1571-26-108-01СПТруба1
16700-41-2265СПУгольник1
17700-41-3479Контргайка2
18018-022-25-2-5Кольцо 2
19700-41-2250-01СПУгольник1
Гидросистема противовеса