Запасные части ЧТЗ Запасные части ЧТЗ
Владивосток
Например:
Актобе
Алдан
или
Выбрать автоматически
Актобе
Алдан
Алматы
Алчевск
Архангельск
Астана
Астрахань
Атырау
Баку
Балашиха
Барнаул
Белгород
Бердянск
Бишкек
Владивосток
Владикавказ
Воркута
Воронеж
Горловка
Грозный
Донецк
Екатеринбург
Иваново
Ижевск
Иркутск
Казань
Калининград
Каменск-Уральский
Караганда
Каховка
Кемерово
Киров
Комсомольск-на-Амуре
Костанай
Краснодар
Красноярск
Красный луч
Ленск
Луганск
Магадан
Магнитогорск
Макеевка
Махачкала
Мелитополь
Минск
Мирный (Якутия)
Москва
Мурманск
Нерюнгри
Нижневартовск
Нижний Новгород
Нижний Тагил
Новая каховка
Новокузнецк
Новосибирск
Новый Уренгой
Норильск
Ноябрьск
Нур-Султан
Омск
Оренбург
Ош
Павлодар
Пермь
Петрозаводск
Петропавловск
Петропавловск-Камчатский
Псков
Ростов-на-Дону
Салехард
Самара
Санкт-Петербург
Саратов
Севастополь
Семей
Симферополь
Сочи
Ставрополь
Сургут
Сыктывкар
Тараз
Ташкент
Токмак
Томск
Тында
Тюмень
Ульяновск
Усинск
Усть-Каменогорск
Уфа
Хабаровск
Ханты-Мансийск
Херсон
Челябинск
Чита
Шымкент
Экибастуз
Энергодар
Южно-Сахалинск
Якутск
Ваш город
Владивосток
Войти
Запасные части к тракторам на одном сайте
+7 (932) 303-00-10
+7 (932) 303-00-10
г. Владивосток, ул. Посадская, д. 20
Пн-Пт: 9:30-18:30 Cб-Вс: Выходной
Отправить заявку


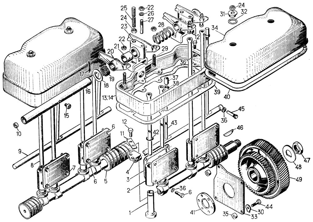
Механизм газораспределения на Т-130


/
с НДС 20%
Описание
Механизм газораспределения на Т-130
# Номер запчасти Наименование детали Кол-во в сборке
- 14-04-115СП Валик коромысел 2
- 14-04-116СП Валик с коромыслами 2
- 16-04-110СП Штанга декомпрессора 4
1 04204 1  Толкатель 8
2 14-04-23 Кронштейн 4
3 40845 Прокладка 4
4 02236 Подшипник 1
5 14-04-20 Вал распределительный 1
6 04207 Болт 8
7 - Болт М10Х30.58.019 8
8 04208СП Штанга 8
9 14-04-26 Валик декомпрессора 1
10 0280 Заглушка 4
11 31383 Пластина 1
12 - Болт М10Х25.58.019 14
13 16-04-22 Основание колпака 1
14 16-04-21 Основание колпака 1
15 41242 Штуцер 2
16 14-04-24 Валик коромысел 2
17 - Шплинт 4X40 4
18 3177 Шайба 4
19 700-38-2026 Пружина 4
20 14-04-21-2 Коромысло клапана 8
21 14-04-38 1  Втулка 8
22 30209 Гайка 12
23 14-04-27 Стойка 4
24 30246 Гайка 8
25 29314 Шпилька 4
26 - Шайба 12ОТ 65 Г 09 4
27 04216 Стопор 4
28 700-38-2465 Пружина 2
29 0484
0484-1
Винт 8
30 3137 Шайба 4
31 02248 Шайба колпака 4
32 46267 Прокладка 4
33 04203 Плита 1
34 14-04-119СП Колпак 2
35 0474 Втулка дистанционная 4
36 - Шайба 10ОТ 65 Г 09 29
37 02277 Наконечник 4
38 ГПШ-М10Х1 Гайка 4
39 700-40-2108 Прокладка 2
40 700-40-2896 Прокладка 2
41 0473 Шайба 1
42 04205 Кольцо 8
43 02219 Штанга декомпрессора 4
44 - Болт М10Х35.58.019 4
45 700-35-2009 Винт 1
46 3420 Шпонка 1
47 3055 Гайка 1
48 3170 Шайба 1
49 04202-1 Шестерня 1
1 При необходимости заказывать ремонтные комплекты (см. Перечень деталей ремонтных размеров).
Механизм газораспределения