Запасные части ЧТЗ Запасные части ЧТЗ
Владивосток
Например:
Актобе
Алдан
или
Выбрать автоматически
Актобе
Алдан
Алматы
Алчевск
Архангельск
Астана
Астрахань
Атырау
Баку
Балашиха
Барнаул
Белгород
Бердянск
Бишкек
Владивосток
Владикавказ
Воркута
Воронеж
Горловка
Грозный
Донецк
Екатеринбург
Иваново
Ижевск
Иркутск
Казань
Калининград
Каменск-Уральский
Караганда
Каховка
Кемерово
Киров
Комсомольск-на-Амуре
Костанай
Краснодар
Красноярск
Красный луч
Ленск
Луганск
Магадан
Магнитогорск
Макеевка
Махачкала
Мелитополь
Минск
Мирный (Якутия)
Москва
Мурманск
Нерюнгри
Нижневартовск
Нижний Новгород
Нижний Тагил
Новая каховка
Новокузнецк
Новосибирск
Новый Уренгой
Норильск
Ноябрьск
Нур-Султан
Омск
Оренбург
Ош
Павлодар
Пермь
Петрозаводск
Петропавловск
Петропавловск-Камчатский
Псков
Ростов-на-Дону
Салехард
Самара
Санкт-Петербург
Саратов
Севастополь
Семей
Симферополь
Сочи
Ставрополь
Сургут
Сыктывкар
Тараз
Ташкент
Токмак
Томск
Тында
Тюмень
Ульяновск
Усинск
Усть-Каменогорск
Уфа
Хабаровск
Ханты-Мансийск
Херсон
Челябинск
Чита
Шымкент
Экибастуз
Энергодар
Южно-Сахалинск
Якутск
Ваш город
Владивосток
Войти
Запасные части к тракторам на одном сайте
+7 (932) 303-00-10
+7 (932) 303-00-10
г. Владивосток, ул. Посадская, д. 20
Пн-Пт: 9:30-18:30 Cб-Вс: Выходной
Отправить заявку


Подготовка к обкатке


/
с НДС 20%
Описание
Осмотреть и подготовить аккумулятор. Проверить уровень масла и при необходимости долить:
  • в картер и корпус редуктора пускового двигателя до уровня верхней метки на масломерной линейке;
  • в корпус топливного насоса до нижней кромки маслоналивного отверстия;- в воздухоочиститель пускового двигателя до нижней кромки маслоотражателя;
  • в корпус конических шестерен пускового двигателя (объем масла должен быть 0,2 л).
Залить в картер (32±2) л свежего масла. Смазать:
  • подшипники шкива и натяжного ролика ремней привода вентилятора до выхода свежей смазки из-под уплотнения;
  • переднюю опору дизеля через масленку на кронштейне вентилятора до выхода свежей смазки из зазоров опоры;
  • подшипник валика механизма проворачивания до выхода смазки в зазор между кронштейном и валиком;
  • хомут муфты сцепления пускового двигателя 15-20 каплями масла.
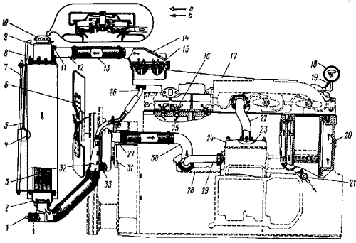
Карта смазки двигателя Д-160
Рис. 40. Карта смазки дизеля
1-опора дизеля; 2-шкив вентилятора (подшипник); 3-кулачок прерывателя магнето; 4-картер пускового двигателя; 5-корпус конических шестерен пускового двигателя; 6-хомут муфты сцепления пускового двигателя; 7-корпус редуктора пускового двигателя; 8-поддон воздухоочистителя пускового двигателя; 9-подшипник валика механизма проворачивания; 10-картер дизеля; 11-корпус топливного насоса; 12-натяжной ролик вентилятора (подшипник).

Масла и смазки, применяемые для заправки и смазки дизеля, указаны в таблице смазки. Места заправки и смазки показаны в карте смазки (рис. 40).

Закрыть кран 21 (см. рис. 17) слива охлаждающей жидкости из блока и кран 1 радиатора.
Заправить систему охлаждения охлаждающей жидкостью.
Проверить, нет ли утечки через фланцевые и шланговые соединения. При необходимости соединения подтянуть.
Заправить топливо в бак дизеля и бензин в бачок пускового двигателя.
Марки топлива, применяемые на дизеле и пусковом двигателе, приведены в подразделе 4.3.

Проверить надежность крепления сборочных единиц и агрегатов дизеля и при необходимости подтянуть. Проверить и отрегулировать натяжение ремней привода вентилятора и генератора согласно подразделу 9.14. Проверить отсутствие воды в полости воздухоочистителя дизеля.
Подготовка к обкатке