Запасные части ЧТЗ Запасные части ЧТЗ
Владивосток
Например:
Актобе
Алдан
или
Выбрать автоматически
Актобе
Алдан
Алматы
Алчевск
Архангельск
Астана
Астрахань
Атырау
Баку
Балашиха
Барнаул
Белгород
Бердянск
Бишкек
Владивосток
Владикавказ
Воркута
Воронеж
Горловка
Грозный
Донецк
Екатеринбург
Иваново
Ижевск
Иркутск
Казань
Калининград
Каменск-Уральский
Караганда
Каховка
Кемерово
Киров
Комсомольск-на-Амуре
Костанай
Краснодар
Красноярск
Красный луч
Ленск
Луганск
Магадан
Магнитогорск
Макеевка
Махачкала
Мелитополь
Минск
Мирный (Якутия)
Москва
Мурманск
Нерюнгри
Нижневартовск
Нижний Новгород
Нижний Тагил
Новая каховка
Новокузнецк
Новосибирск
Новый Уренгой
Норильск
Ноябрьск
Нур-Султан
Омск
Оренбург
Ош
Павлодар
Пермь
Петрозаводск
Петропавловск
Петропавловск-Камчатский
Псков
Ростов-на-Дону
Салехард
Самара
Санкт-Петербург
Саратов
Севастополь
Семей
Симферополь
Сочи
Ставрополь
Сургут
Сыктывкар
Тараз
Ташкент
Токмак
Томск
Тында
Тюмень
Ульяновск
Усинск
Усть-Каменогорск
Уфа
Хабаровск
Ханты-Мансийск
Херсон
Челябинск
Чита
Шымкент
Экибастуз
Энергодар
Южно-Сахалинск
Якутск
Ваш город
Владивосток
Войти
Запасные части к тракторам на одном сайте
+7 (932) 303-00-10
+7 (932) 303-00-10
г. Владивосток, ул. Посадская, д. 20
Пн-Пт: 9:30-18:30 Cб-Вс: Выходной
Отправить заявку


Двигатель ЧТЗ


/
с НДС 20%
Описание

На тракторе Т-130М установлен четырехцилиндровый четырехтактный дизельный двигатель Д-160 водяного охлаждения мощностью 117,8 кВт (160 л. с.) с частотой вращения коленчатого вала 1250 об/мин с турбонаддувом воздуха в цилиндры и непосредственным впрыском топлива в камеру поршня.




Устройство и рабочий цикл двигателя Т-130М

Двигатель состоит из кривошипно-шатунного механизма, механизма газораспределения, систем охлаждения, смазочной, питания, пускового устройства и агрегатов электрооборудования (рис. 3 и 4).

Двигатель работает по четырехтактному циклу. Каждый цикл осуществляется за два оборота коленчатого вала.


Впуск

При движении поршня 18 (см. рис. 3) от верхней мертвой точки (в.м.т.) до нижней (н.м.т.) в цилиндры при открытом впускном клапане 22 нагнетается воздух турбокомпрессором 32 под давлением 145 кПа. В результате турбонаддува увеличивается поступление воздуха в цилиндры, что позволяет повысить мощность двигателя.

Рис. 3. Продольный разрез двигателя Д-160 Т-130М


1 — передняя спускная пробка,
2 — передний маслоприемник масляного насоса,
3 — уравновешивающий механизм,
4 — шестерня привода уравновешивающего механизма,
5 — шестерня привода масляного насоса и уравновешивающего механизма,
6 — шестерня привода гидронасоса,
7 — передняя опора двигателя,
8 — шатун,
9 — распределительный вал,
10 — болт крепления шкива коленчатого вала,
11 — упорная плита распределительного вала,
12 — коленчатый вал,
13 — кожух шестерен распределения,
14 — поршневой палец,
15 — блок двигателя,
16 — резиновое уплотнительное кольцо гильзы цилиндров,
17 — шестерня привода распределительного вала,
18 — поршень,
19 — гильзы цилиндров,
20 — шестерня привода топливного насоса,
21 — вентилятор,
22 — впускной клапан,
23 — выпускной клапан,
24 — крестовина вентилятора,
25 — головка цилиндров,
26 — колпак головки цилиндров,
27 — грузовая проушина,
25 — трубка подвода масла к валику коромысел,
29 — валик коромысел,
30 — воздухозаборный патрубок компрессора,
31 — воздухоподводящий патрубок,
32 — турбокомпрессор,
33 — выпускной патрубок,
34 — трубка отвода топлива от форсунок в топливный бак,
35 — выпускной коллектор,
36 — указатель для установки поршня в в.м.т.,
37 — кожух маховика,
38 — маховик,
39 — болт крепления маховика,
40 — задний маслоприемник масляного насоса,
41 — крышка коренного подшипника,
42 — масляный насос,
43 — вкладыш коренного подшипника коленчатого вала,
44 — упорное полукольцо коленчатого вала,
45 — крышка шатуна,
46 — картер.

Сжатие

Поршень поднимается из н.м.т. в в.м.т.; при закрытых клапанах 22 и 23 воздух сжимается, а температура его повышается. В конце такта сжатия в цилиндры двигателя впрыскивается форсункой 32 (см. рис. 4) топливо, которое растекается тонкой пленкой по стенке камеры сгорания поршня 18 (см. рис. 3). Соприкасаясь с нагретой стенкой, оно испаряется, перемешивается с нагретым воздухом, совершающим вихревое движение, и самовоспламеняется при температуре воздуха в камере 873—973 К (600—700 °С). Благодаря хорошему перемешиванию топлива с воздухом эта смесь сгорает полностью, обусловливая высокую топливную экономичность двигателя не более 244,9 г/кВт • ч (180 г/л. С. • ч).

Рис. 4. Поперечный разрез двигателя Д-160 Т-130М


1 — трубка подвода масла к коренному подшипнику коленчатого вала,
2 — фильтр грубой очистки топлива,
3 — масломерная линейка,
4 — распределительный вал,
5 — главный маслопровод,
6 — задняя лата крепления двигателя,
7 — топливный насос,
8 — кронштейн толкателей,
9 — центробежный масляный фильтр,
10 — валик декомпрессора,
11 — штанга толкателя,
12 — штанга декомпрессора,
13 — масляный фильтр турбокомпрессора,
14 — водоотводная труба,
15 — бензобак,
16 — регулировочный винт коромысла,
17 — стопор валика коромысел,
18 — валик коромысел,
19 — стойка валика коромысел,
20 — клапанная пружина наружная,
21 — клапанная пружина внутренняя,
22 — коромысло,
23 — сухарик,
24 — втулка клапана,
25, 37 — клапан,
26 — трубка подвода масла к турбокомпрессору,
27 — трубка слива масла из турбокомпрессора,
28 — турбокомпрессор,
29 — валик для заводки пускового двигателя,
30 — воздухоподводящий патрубок,
31 — рычаг крепления форсунки,
32 — форсунка,
33 — выпускной коллектор,
34 — стакан форсунки,
35 — впускной коллектор,
36 — головка цилиндров пускового двигателя,
38 — блок цилиндров пускового двигателя,
39 — поршень,
40 — впускной и выпускной коллекторы,
41 — шатун,
42 — крышка клапанной камеры,
43 — толкатель пускового двигателя,
44 — кулачковый валик,
45 — коленчатый вал пускового двигателя,
46 — поддон,
47 — спускная пробка с магнитом.

Рабочий ход

Газы, образующиеся при сгорании, расширяясь, давят на днище поршня, в результате чего поршень движется вниз от в.м.т. к н.м.т. и через шатун 8 передает усилие на кривошип коленчатого вала 12, заставляя вал вращаться.


Выпуск

Поршень движется от н.м.т. к в.м.т., отработавшие газы выталкиваются через открытый выпускной клапан 23. После выпуска отработанных газов весь рабочий процесс повторяется.

Рабочие ходы в цилиндрах двигателя следуют один за другим в порядке работы цилиндров: 1—3—4—2. Для лучшего протекания рабочего процесса клапаны 22 и 23 открываются и закрываются с опережением открытия и запаздыванием закрытия, как показано на рис. 5. Опережение открытия и запаздывание закрытия впускного клапана обеспечивают лучшее наполнение цилиндра воздухом, что очень важно для полного сгорания топлива. Эти процессы необходимы для полного удаления отработанных газов из цилиндров двигателя.

Рис. 5. Диаграмма фаз газораспределения основного двигателя (дизеля) Т-130М


Кривошипно-шатунный механизм Т-130М


Устройство механизма

Кривошипно-шатунный механизм,преобразующий прямолинейное возвратнопоступательное движение поршней во вращательное движение коленчатого вала, состоит из цилиндров, поршней с кольцами, шатунов, коленчатого вала с маховиком. Все детали механизма размещены в блоке.

Блок 19 (рис. 6) литой чугунный имеет три вертикальные перегородки, которые вместе с передней и задней стенками служат опорами коленчатому валу.

Рис. 6. Блок и головка цилиндров Т-130М


1 - смотровое отверстие кожуха маховика (лючок),
2 - плоскость крепления кронштейнов толкателей,
3 - отверстие (полость) для штанг толкателей,
4 - малые шпильки крепления головки цилиндров,
5 - прокладка головки цилиндров,
6 - водоотводной канал,
7 - головка цилиндров,
8 - направляющие втулки клапанов,
9 - водяная рубашка головки цилиндров,
10 - впускной канал головки цилиндров,
11 - выпускной канал,
12 - большие шпильки крепления головки цилиндров,
13 - направляющий колпачок-дефлектор,
14 - гайка крепления стакана форсунки,
15 - стакан форсунки,
16 - медная прокладка,
17 - гильзы цилиндров,
18 - водяная рубашка блока,
19 - блок цилиндров,
20 - резиновые уплотнительные кольца,
21 - трубка подвода масла к осям промежуточных шестерен и передней втулке распределительного вала,
22 - кожух шестерен распределения,
23 - сальники уплотнения носка коленчатого вала, маслоотражательная шайба,
25 - корпус подшипника,
26 - шестерни привода гидронасоса НШ-32УЛ,
27 - шарикоподшипники,
28 - шпилька крепления коренных подшипников коленчатого вала,
29 - штуцер подвода масла к коренным подшипникам коленчатого вала,
30 - крышка первого коренного подшипника,
31 - трубка подвода масла к первому коренному подшипнику,
32 - крышка второго коренного подшипника,
33 - главный маслопровод,
34 - трубка подвода масла ко второму коренному подшипнику,
35, 38 - трубки подвода масла к третьему (среднему) коренному подшипнику,
36 - крышка третьего (среднего) коренного подшипника,
37 - средние опорные втулки распределительного вала,
39 - крышка четвертого коренного подшипника,
40 - трубка подвода масла к четвертому коренному подшипнику,
41 - спускная пробка,
42 - крышка пятого (заднего) коренного подшипника,
43 - гдеревянные прокладки уплотнения крышки пятого (заднего) коренного подшипника,
44 - кожух маховика,
45 - втулка заднего опорного подшипника распределительного вала,
46 - заглушка.

В гнездах перегородок и стенок блока и крышек 30, 32, 36, 39 и 42 подшипников размещены верхние и нижние вкладыши коренных подшипников. От проворачивания вкладыши удерживаются «усиками», входящими в пазы блока и крышек подшипников. Крышки подшипников невзаимозаменяемые, порядковые номера их выбиты с одной стороны на плоскости прилегания гайки крепления крышек и гнездах перегородок блока. В передней и задней стенках, и в средней перегородке блока имеются отверстия, в которые запрессованы опорные втулки 37 и 45 подшипников распределительного вала.

К стенке блока крепится главный маслопровод 33. Заднее крепление маслопровода подвижное, что позволяет ему удлиняться при нагревании. В отверстия блока с конической резьбой ввернуты штуцеры трубок 21, подводящих масло от переднего коренного подшипника к передней опоре распределительного вала, осям большой и малой промежуточных шестерен, расположенных в кожухе шестерен распределения, и к уравновешивающему механизму.

В нижнюю и заднюю плоскости блока запрессованы штифты для установки уравновешивающего механизма, картера и кожуха маховика 44. В нижней плоскости блока находится канал, по которому масло от масляного насоса поступает к маслораспределительной плите и к центробежному фильтру.

К наклонной обработанной плоскости блока прикреплен пусковой двигатель. Водораспределительная камера блока сообщается с водяной рубашкой 18 четырьмя отверстиями. К водораспределительной камере подходит труба, по которой вода от водяного насоса поступает в блок дизельного двигателя и в водяную рубашку пускового двигателя.

В передней крышке водораспределительной камеры имеется краник, через который спускают воду из рубашки цилиндров.

С правой стороны блока находятся четыре люка для осмотра коренных и шатунных подшипников, люки под кронштейны толкателей и литое отверстие для стока масла от центробежного фильтра. Там же имеется отверстие, в которое вставлена трубка с резиновым уплотнительным кольцом. По этой трубке масло подводится к регулятору.

Боковые стенки блока плавно переходят в боковые стенки картера.

Литой алюминиевый картер 46 (см. рис. 3) крепится к нижней плоскости блока; он состоит из двух половин, скрепленных болтами. Картер имеетдва люка для доступа и осмотра масляного насоса, маслоприемников и некоторых деталей кривошипно-шатунного механизма. В крышку правого люка вставлена масломерная линейка 3 (см. рис. 4). В среднем и переднем углублениях картера имеются спускные отверстия, закрытые пробками. В пробку 47 вмонтирован магнит для улавливания металлических частиц из масла.

Гильзы цилиндров 17 (см. рис. 6), отлитые из специального легированного чугуна, вставлены в четыре вертикальных отверстия блока. Внутренняя поверхность гильз для повышения износостойкости закалена токами высокой частоты (ТВЧ). Пространство между стенками блока и гильзами образует водяную рубашку у каждого цилиндра.

Поршень 4 (рис. 7), отлитый из алюминиевого сплава, имеет три канавки для компрессионных колец 8 и 9 и две канавки для маслосъемных 7. В бобышках поршня имеются кольцевые канавки для замковых колец, ограничивающих осевое перемещение плавающего поршневого пальца 10. Нижняя часть поршня, перемычки между кольцами и верхняя часть (выше верхнего компрессионного кольца) в поперечном сечении имеют овальную форму, а в продольном — бочкообразную. Поршень такой формы не заклинивается при относительно небольшом зазоре между нижней частью поршня и гильзой цилиндра.

Рис. 7. Кривошипно-шатунный механизм Т-130М


1 — шкив привода вентилятора,
2 — шестерня привода механизма газораспределения,
3 — шестерня привода гидронасоса,
4 — поршень,
5 — шатун,
б — упорные полукольца,
7 — нижнее маслосъемное кольцо,
8 — верхнее компрессионное кольцо,
9 — конусное компрессионное кольцо,
10 — поршневой палец,
11 — ведущие пальцы муфты сцепления. 12 опора подшипников сцепления,
13 — маховик,
14 — вкладыш коренных подшипников,
15 — коленчатый вал,
15 — противовес.

Гильзы цилиндров и поршни изготовляют четырех размерных групп, обозначаемых клеймами: М, С1 С2, Б.

Для обеспечения минимального температурного зазора (0,34—0,38 мм) между гильзой и нижней частью поршня необходимо комплектовать гильзы и поршни одинаковой размерной группы. Разница в массе поршней в одном двигателе не должна быть более 10 г.

Поршневые кольца 7, 8, 9 изготовлены из легированного чугуна. Наружная поверхность верхних трапецеидального компрессионного 8 и маслосъемного колец хромирована. Второе и третье компрессионные кольца 9 конусные, их устанавливают на поршень так, чтобы торец меньшего диаметра, на котором нанесена метка «верх», был обращен в сторону днища поршня. В канавку поршня под верхним маслосъемным кольцом установлен пружинный расширитель, сохраняющий давление рабочих поясков кольца на стенку гильзы цилиндра. Зазоры в стыке (замке) новых компрессионных поршневых колец (верхних) составляют 0,9—1,2 мм, второго и третьего— 0,6—0,9, маслосъемных — 0,45—0,75 мм. Замки колец на поршне необходимо устанавливать под углом 120° друг к другу.

Шатун 5 штампованный, стальной, имеет стержень двутаврового сечения и две головки. В верхнюю головку запрессована бронзовая втулка. В разъеме нижней головки установлен шатунный подшипник, состоящий из двух сталеалюминиевых вкладышей (верхнего и нижнего). По кольцевой канавке верхнего вкладыша из коленчатого вала подводится масло в стержень шатуна для смазывания поршневого пальца и охлаждения днища поршня. Днище поршня охлаждается маслом, впрыскиваемым из двух отверстий в верхней головке шатуна. Крышка нижней головки шатуна крепится двумя призонными болтами с корончатыми гайками. Разница в массе шатунов в одном двигателе не должна быть более 35 г. По диаметру отверстия во втулке верхней головки шатуны и поршневой палец делят на две группы; шатун и поршневой палец должны быть одной размерной группы.

Коленчатый вал 15 штампованный, стальной. Для подачи масла к шатунным подшипникам в коленах вала просверлены каналы, соединяющие рабочие поверхности коренных и шатунных шеек. В полостях шатунных шеек масло, поступившее от главной магистрали, подвергается центробежной очистке для снижения износа шатунных вкладышей и шеек вала. На переднем конце коленчатого вала на шпонках посажены ведущие шестерни 2 и 3 для привода механизма газораспределения и гидронасосов и шкив 1— для привода вентилятора. Передний торец коленчатого вала имеет резьбу под болт крепления шкива и левую резьбу для стопорного болта. Ведущие шестерни закреплены гайкой со стопорной пластиной.

Для уплотнения переднего и заднего концов коленчатого вала на пятой коренной шейке и на носке вала нарезаны маслосгонные резьбы.

Коленчатый вал удерживают от продольных перемещений сталеалюминиевые упорные полукольца 6, установленные в расточках средней перегородки блока и крышки подшипника. Между сталеалюминиевыми упорными полукольцами и щеками средней коренной шейки вала имеется зазор 0,1—0,5 мм.

Уравновешивают центробежные силы коленчатого вала четыре противовеса 16, прикрепленные к щекам вала болтами со стопорной пластиной.

Шатунные и коренные шейки коленчатого вала для повышения их износостойкости закалены токами высокой частоты.

Маховик 13 литой чугунный крепится болтами к фланцу коленчатого вала; между маховиком и фланцем коленчатого вала установлена опора 12 подшипников муфты сцепления. На маховик напрессован зубчатый венец для зацепления его с шестерней пускового двигателя при запуске основного дизельного двигателя.

В радиальные отверстия маховика вставлены шесть пальцев 11, головки которых входят в пазы ведущих дисков главной муфты сцепления. На наружную цилиндрическую и торцовую поверхности нанесены установочные метки «ВМТ 1—4 цил» и «ВМТ 2—3 цил» и градуировка в градусах, которыми пользуются при регулировке зазора в клапанах и во время регулировки топливного насоса.

Маховик закрыт кожухом 44 (см. рис. 6), прикрепленным к задней стенке блока. К кожуху маховика крепят лапы двигателя. Между лапами двигателя и лонжеронами рамы трактора установлены прокладки, которыми регулируют соосность коленчатого вала двигателя и ведущего вала коробки передач.

В лючке кожуха маховика установлена стрелка-указатель 36 (см. рис. 3), которой пользуются при регулировке клапанов и проверке угла опережения подачи топлива насосом. Такая же стрелка находится в лючке верхней половины кожуха главной муфты сцепления. Ею пользуются при регулировке клапанов и проверке угла опережения подачи топлива насосом, когда двигатель находится на тракторе.

Чугунная головка 7 (см. рис. 6) блока отлита на два цилиндра и крепится к блоку шпильками 4 и 12. Между головкой и блоком установлена медно-асбестовая прокладка 5. Каждая головка имеет четыре клапана и две латунные втулки-стаканы 15 форсунок. Клапаны прижимаются к гнездам пружинами.

Водяные рубашки 9 и 18 головки и блока сообщаются через восемь отверстий, в которые запрессованы колпачки-дефлекторы 13 с боковыми отверстиями, направляющие струю воды из блока на перемычки между клапанными гнездами и к втулкам-стаканам форсунок.

Окна для штанг толкателей и штанг декомпрессионного механизма головки сообщаются с такими же окнами 3 в блоке. В верхнюю плоскость головки запрессованы чугунные стойки 19 (см. рис. 4) с валиком коромысел и основание колпака.


Уход за кривошипно-шатунным механизмом

Необходимо своевременно менять смазку в картере двигателя, очищать картер от отложений, промывать центробежный масляный фильтр и сетки переднего, центрального и заднего маслоприем-ников. При текущем ремонте промывают картер, осматривают и проверяют шплинтовку шатунных болтов. Следует вывернуть заглушки, очистить и промыть полости шатунных шеек коленчатого вала. После установки заглушек меняют шплинты.

В верхней головке шатуна прочищают отверстия, по которым подается масло для охлаждения поршня.


Механизм привода двигателя к агрегатам Т-130М

Механизм привода передает вращение от шестерни коленчатого вала двигателя к распределительному валу, регулятору, топливному, водяному и масляному насосам, уравновешивающему механизму дизельного двигателя, масляным насосам гидросистемы управления сцеплением и муфтами поворота трактора и гидросистемы управления навесным механизмом.

Схема расположения шестерен механизма привода показана на рис. 8. В кожухе механизма привода размещены на валах промежуточная шестерня 3 (рис. 9) привода водяного насоса и промежуточная шестерня 8 привода масляного насоса гидросистемы управления навесным механизмом. Малая промежуточная шестерня 12 приводит во вращение шестерню 14, шестерню привода масляного насоса и уравновешивающего механизма дизельного двигателя. Шестерня 14 приводит во вращение насос гидросистемы управления сцеплением и механизмом поворота трактора. Для подвода масла к осям промежуточных шестерен во фланце кожуха просверлены косые каналы, совпадающие с отверстиями в блоке. В передней стенке кожуха имеется отверстие — окно 4, которым пользуются при установке топливного насоса. В нижней части кожуха имеется шейка-цапфа, которая входит в отверстие передней опоры двигателя. Сверху на кожухе механизма привода (со стороны топливного насоса) имеется площадка для установки генератора переменного тока. К обработанным площадкам кожуха прикрепляют кронштейны натяжного ролика и вентилятора. В кожухе над водяным насосом имеется люк с крышкой 1 для проверки бокового зазора между зубьями шестерен. К нижнему фланцу кожуха крепится передняя часть картера. К кожуху прикреплены водяной насос, масляные насосы гидросистемы управления навесной системой, главной муфтой сцепления и муфтами поворота трактора, а также устройство для включения и выключения гидронасоса навесной системы.

Рис. 8. Схема зацепления шестерен распределения и привод агрегатов двигателя Т-130М


1 — шестерня привода топливного насоса,
2 — шестерня распределительного вала большая,
3 — шестерня промежуточная привода к водяному насосу,
4 — шестерня привода водяного насоса,
5 — шестерня привода гидронасоса управления навесным оборудованием,
6 — шестерня промежуточная привода гидронасоса,
7 — шестерня коленчатого вала малая,
8 — шестерня коленчатого вала большая,
9 — шестерня привода уравновешивающего механизма,
10 — шестерня привода масляного насоса и уравновешивающего механизма,
11 — шестерня промежуточная малая,
12 — шестерня привода гидронасоса управления сцеплением и муфтами поворота.

Кожух шестерен центрируется относительно блока двумя установочными штифтами, запрессованными в блок.

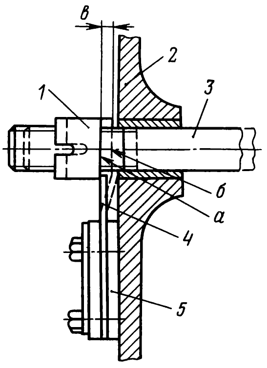
Шестерни коленчатого и распределительного валов, привода регулятора и топливного насоса вводятся в зацепление так, чтобы меченый зуб шестерни 7 (см. рис. 8) коленчатого вала входил в меченую впадину большого венца шестерни 2 распределительного вала, а меченый зуб малого венца этой шестерни — в меченую" впадину шестерни 1 регулятора и топливного насоса. Между зубьями каждой пары шестерен, находящихся в зацеплении, должен быть зазор 0,08—0,40 мм.

Рис. 9. Кожух шестерен распределения Т-130М


1 — крышка люка для замера зазора между зубьями шестерен,
2 — трубки подвода масла к подшипникам водяного насоса,
3 — промежуточная шестерня привода водяного насоса,
4 — окно для наблюдения за зацеплением по меткам шестерен привода топливного насоса,
5 — технологическая крышка,
6 — шарикоподшипник,
7 — ось шестерни привода гидронасоса,
8 — промежуточная шестерня привода гидронасоса,
9 — маслоотражательная шайба,
10 — уплотняющие сальники,
11 — кожух шестерен распределения,
12 — промежуточная шестерня привода гидронасоса управления сцеплением и муфтами поворота,
13 — ось промежуточной шестерни привода гидронасоса,
14 — шестерня привода гидронасоса управления сцеплением и муфтами поворота,
15 — резиновое уплотнительное кольцо,
16 — корпус шарикоподшипника,
17 — стопорное кольцо.

Для регулировки бокового зазора между зубьями шестерен после установки кожуха и соединения шестерен по меткам необходимо под кронштейн привода масляного насоса и(корпус регулятора установить регулировочные прокладки общей толщиной не более 0,3 мм.


Уравновешивающий механизм Т-130М

Уравновешивающий механизм предназначен для уменьшения вибрации двигателя путем уравновешивания сил инерции второго порядка поступательно-движущихся масс грузами-противовесами 9 и 10 (рис. 10) механизма. Он крепится к блоку двигателя в передней его части четырьмя болтами и центрируется двумя штифтами. Уравновешивающий механизм состоит из корпуса 11 с бронзовыми опорными втулками 1, двух противовесов, выполненных за одно целое с зубчатыми венцами и опорными шейками, двух шестерен 5 и 2 привода и промежуточного валика 8. Опорные втулки противовесов имеют на бурте лыски, которые, упираясь в выступы на корпусе механизма, удерживают втулки от проворачивания.

Рис. 10. Уравновешивающий механизм Т-130М


1 — втулка,
2 — шестерня привода механизма,
3 — шайба,
4, 12 — штифт,
5 — шестерня привода масляного насоса,
6 — штифт-заглушка,
7 — кольцо,
8 — промежуточный валик,
9, 10 — противовесы,
11 — корпус,
13 — заглушка масляного канала 14 — поддон.

Привод механизма осуществляется от шестерни 5 привода масляного насоса, посаженной на промежуточном валике. Промежуточный валик соединен шлицевой муфтой с валиком привода масляного насоса. От осевого перемещения промежуточный валик удерживается кольцом 7, закрепленным на валике штифтом.

Подшипники противовесов и промежуточного валика смазываются маслом, поступающим под давлением из главной магистрали блока по каналам, просверленным в корпусе механизма.

Зубья всех шестерен уравновешивающего механизма смазываются распыленным маслом, образующимся во внутрикартерном пространстве при работе двигателя.

Для правильного зацепления зубчатых венцов противовесов метки «С» на зубе и впадине зубьев обоих венцов должны совпадать. Метка риска на обработанном приливе поддона 14 должна совпадать с меткой-риской на зубе шестерни 2 привода уравновешивающего механизма при установке его на двигатель (метка «ВМТ 1—4 цил» или «ВМТ 2—3 цил» на маховике располагается против острия указателя, а поршни находятся в в.м.т.). При этом метки «С» на зубьях венцов противовесов должны совпадать.


Механизм газораспределения Т-130М

Газораспределительный механизм в определенные моменты открывает и закрывает впускные и выпускные клапаны двигателя.


Устройство механизма газораспределения

Механизм газораспределения состоит из распределительного вала 4 (см. рис. 4), толкателей, кронштейнов толкателей S, штанг 11 толкателей, коромысел 22 клапанов с регулировочными винтами и контргайками, валиков 18 коромысел с распорными пружинами, стоек 19 валиков коромысел, клапанов 25, клапанных пружин 20 и 21, направляющих втулок 24 клапанов, тарелок пружин и сухариков 23 крепления пружин.

Стальной кулачковый распределительный вал 4 вращается на трех втулках, запрессованных в блок дизельного двигателя. Кулачки и шейки вала закалены ТВЧ.

На шейках вала имеются спиральные канавки, по которым затягивается масло внутрь подшипника во время вращения вала. На переднем конце распределительного вала установлена двойная шестерня, большой венец которой входит в зацепление с шестерней коленчатого вала, а малый— с шестерней привода валика регулятора топливного насоса. Между шестерней и передней шейкой вала зажат упорный бронзовый диск, ограничивающий продольное перемещение вала в пределах 0,1—0,33 мм.

Толкатели изготовлены из специального чугуна. Стержень толкателя высверлен; в плоское донышко его упирается нижний наконечник штанги 11 толкателя. Масло к тарелке толкателя подводится из полости стержня через отверстие в толкателе.

Толкатели вставлены в отверстия четырех чугунных кронштейнов 8 (по два толкателя в каждом кронштейне), прикрепленных к блоку четырьмя болтами. Два призонных болта обеспечивают определенное положение кронштейнов с толкателями относительно блока. Толкатели в кронштейнах удерживаются пружинными стопорными кольцами, установленными в кольцевые канавки в верхней части стержней.

Оси толкателей в блоке смещены относительно середины кулачков распределительного вала, что приводит к вращению толкателей во время работы и уменьшению износа тарелки и стержня толкателей.

Стальные штанги 11 толкателей трубчатые. В шаровую чашечку верхнего конца штанги упирается регулировочный винт, ввернутый в коромысло 22 клапана. Нижний конец штанги наконечником упирается в дно отверстия толкателя. Наконечники штанги цементированы и закалены.

Коромысло 22 клапана отлито из стали. В отверстие средней его части запрессована бронзовая втулка. В резьбовое отверстие коромысла ввернут регулировочный винт. На этом же конце коромысла имеется выступ с площадкой, в которую во время пуска двигателя упирается регулировочный наконечник штанги деком прессорного механизма. Рабочий конец коромысла, соприкасающийся со стержнем клапана и выступ на другом конце закалены. По каналам в коромысле масло поступает от бронзовой втулки к наконечнику штанги толкателя и к наконечнику штанги декомпрессорного механизма. Коромысла клапанов свободно надеты на стальные полые валики 18 и прижаты к стойкам распорными пружинами.

Валики 18 коромысел закалены ТВЧ. Внутри валика имеется канал, закрытый с обеих сторон заглушками. В этот канал масло поступает из главного маслопровода. Валики коромысел закреплены стопорами на чугунных стойках 19, которые прикреплены шпильками и гайками к головкам блока.

Впускной и выпускной клапаны. Впускной клапан 22 (см. рис. 3) изготовлен из хромистой стали, а выпускной 23 — из жаростойкой. На торцах тарелок клапанов имеется паз, в который вставляют приспособление для вращения клапанов во время притирки их к гнездам.

Клапаны перемещаются в направляющих втулках из антифрикционного серого чугуна, которые запрессованы в головку блока. Каждый клапан прижат к гнезду двумя пружинами с различным направлением навивки. В сжатом состоянии пружины удерживаются тремя сухариками, вставленными в кольцевую канавку на стержне клапана. Детали клапанно-распределительного механизма, расположенные на головках двигателя, закрыты колпаками.

Декомпрессионный механизм предназначен для принудительного открытия впускных клапанов с целью уменьшения компрессии в цилиндрах и облегчения прокручивания коленчатого вала дизеля пусковым двигателем перед запуском или вручную при регулировках.

На поверхности валика декомпрессора 10 (см. рис. 4) имеются четыре лыски, в которые упираются нижними концами штанги 12. На верхние концы штанг навернуты регулировочные наконечники с контргайками.

На конце валика закреплен рычаг декомпрессора, который поворачивают рукояткой, расположенной в кабине. Рычаг декомпрессора поворачивает валик, лыски которого поднимают штанги. Регулировочные наконечники штанг нажимают на специальные выступы коромысел впускных клапанов и открывают их. Рычаг имеет два фиксированных положения: «Пуск» и «Рабочее».


Уход за механизмом газораспределения

Периодически проверяют и регулируют тепловой зазор между коромыслом и торцом стержня клапана, а также между штангой декомпрессора и коромыслом впускного клапана. При необходимости притирают клапаны к гнездам.


Регулировка зазора в клапанах и в механизме декомпрессора

Рис. 11. Регулировка зазоров в клапанном механизме Т-130М


1 — штанга декомпрессора,
2, 4 — контргайка,
3 — наконечник штанги декомпрессора,
5 — регулировочный винт,
6 — коромысло,
7 — клапан:
А — зазор 0,45 — 1,0 мм,
В — зазор 0,3 мм.

Поворачивают коленчатый вал дизеля так, чтобы поршень регулируемых клапанов был установлен в в.м.т. на такте сжатия (при этом оба клапана должны быть закрыты). Рычаг декомпрессора устанавливают в рабочее положение. После этого ослабляют контргайку 4 регулировочного винта 5 коромысла 6 и, отвинчивая или завинчивая винт, устанавливают зазор 0,3 мм между коромыслом и стержнями впускного и выпускного клапанов. Затем его проверяют щупом, затягивают контргайку 4, после чего проверяют зазор еще раз.

Далее ослабляют контргайку 2 регулировочного наконечника 3 штанги 1 декомпрессора. Отвинчивая или завинчивая наконечник штанги, устанавливают между штангой декомпрессора и коромыслом 6 впускного клапана зазор 0,45—1 мм. Затянув контргайку 2, еще раз проверяют зазор.


Возможные неисправности механизма газораспределения и способы их устранения

Если прослушивается стук клапанов, значит увеличен зазор между коромыслом и стержнем клапана.

Устраняют эту неисправность, регулируя указанный зазор.

Из-за осмоления выхлопного тракта вследствие продолжительной работы двигателя на малых холостых оборотах при температуре охлаждающей жидкости ниже 343 К (+ 70° С) изгибаются штанги толкателей. Для устранения этой неисправности необходимо вынуть штанги толкателей и выправить их или заменить новыми, а также «расходить» зависшие клапаны, смачивая их теплым керосином. После этого регулируют зазоры в клапанах, запускают двигатель и дают ему проработать под нагрузкой до выгорания смолистых отложений, закрыв двигатель теплым чехлом для поддержания температуры воды в пределах 353—363 К (80—90°С). При эксплуатации трактора необходимо поддерживать температуру воды не ниже 343 К (70°С).


Система охлаждения Т-130М

Система охлаждения служит для отвода теплоты от наиболее нагретых деталей двигателя (гильзы, блока, головки блока) и поддержания необходимого теплового режима двигателя.

На двигателе Д-160 применена водяная принудительная закрытого типа система охлаждения. В качестве охлаждающего агента используется вода или низкозамерзающая жидкость. Система охлаждения сообщается с атмосферой через паровоздушный клапан, который открывается при определенных условиях.


Устройство системы охлаждения

Система охлаждения (рис. 12) состоит из водяной рубашки блока 48 и головок цилиндров 38, водяного радиатора со шторкой 10, водяного насоса 2, вентилятора, термостата 37, термометра 45, подводящих и отводящих трубопроводов, спускных кранов 4 и 50.

Рис.12 Схема охлаждения двигателя Т-130М


1 — шестерня привода водяного насоса,
2 — водяной насос,
3 — шкив коленчатого вала,
4 — сливной кран,
5 — пробка сливного крана,
6 — нижний коллектор водяного радиатора,
7 — вентилятор,
8 — щиток,
9 — сердцевина водяного радиатора,
10 — шторка,
11 — масляные радиаторы,
12 — кронштейн вентилятора,
13 — ролик натяжения ремней,
14 — кронштейн ролика,
15 — кронштейн регулировочного винта,
16 — механизм натяжения ремней,
17 — регулировочный винт,
18 — ось кронштейна,
19 — крестовина вентилятора,
20 — крышка шкива вентилятора,
21 — упорная шайба,
22 — передний шарикоподшипник оси вентилятора,
23 — ось вентилятора,
24 — проставка,
25 — шкив вентилятора,
26 — втулка,
27 — ремень,
28 — сальник,
29 — перепускная трубка,
30 — крышха заливной горловины водяного радиатора с паровоздушным клапаном,
31 — паровой клапан,
32 — воздушный клапан,
33 — направляющая тросика управления шторкой,
34 — верхний коллектор водяного радиатора,
35 — соединительный рукав,
36 — крышка водоотводной трубы,
37 — термостаты,
38 — головка цилиндров,
39 — полость водяной рубашки охлаждения головки цилиндров,
40 — полость водяной рубашки охлаждения цилиндров двигателя,
41 — водоотводная труба,
42 — дефлекторы,
43 — патрубок подвода воды в рубашку блока цилиндров,
44 — патрубок подвода воды к блоку цилиндров пускового двигателя,
45 — термометр,
46 — датчик температуры воды,
47 — патрубок отвода воды из полостей головок цилиндров пускового двигателя,
48 — блок дизеля,
49 — крышки водораспределительного канала,
50 — сливной кран водяной рубашки блока цилиндров.

В систему охлаждения воду заливают через заливную горловину радиатора. В водоотводной трубе установлен датчик 46 дистанционного термометра. Воду из системы охлаждения сливают через краны в нижнем коллекторе радиатора и крышке водораспределительной камеры блока дизеля.

Водяной радиатор трубчатый, с паровоздушным клапаном, размещенным в крышке 30 заливной горловины, и шторкой 10. Сердце-вина 9 радиатора состоит из латунных плоскоовальных трубок, латунных охлаждающих пластин и двух трубных досок. Пластины и трубные доски надеты на трубки и припаяны к ним. К трубным доскам болтами крепятся верхний 34 и нижний 6 коллекторы. Сердцевина радиатора вместе с коллекторами установлена в раму радиатора. Снаружи на верхнем 34 коллекторе смонтированы паровоздушная трубка, заливная горловина, закрытая крышкой с паровоздушным клапаном. Внутри верхнего коллектора находится труба-успокоитель. К фланцу нижнего коллектора 6 крепится отводящий патрубок со спускным краном 4 радиатора. Впереди к водяному радиатору прикреплены масляные радиаторы 11 двигателя и трансмиссии. Между радиаторами установлена шторка 10 для регулирования потока воздуха, обдувающего сердцевину водяного радиатора. Шторка снабжена устройством для ее открытия и закрытия (трос с цепочкой и кольцом для захвата рукой). Чтобы поднять (закрыть) шторку, нужно потянуть за кольцо, накручивая трос на барабан, после чего стопорят барабан, передвинув цепочку в прорезь задней стенки капота трактора. Сердцевина водяного радиатора прикреплена к раме через амортизаторы. В верхней части радиатор связан с головками двумя регулируемыми по длине раскосами.

Паровоздушный клапан размещен в крышке 30 заливной горловины и состоит из парового 31 (наружного) и воздушного 32 (внутреннего) клапанов. Паровой клапан при надевании крышки пружиной прижимается к седлу горловины. Он открывается при избыточном давлении пара в коллекторе 59 кПа, предохраняя водяную систему от разрыва. Благодаря избыточному давлению в радиаторе температура начала кипения воды повышается до 381—383 К (108— 110°С), что снижает расход воды.

Воздушный клапан смонтирован в тарелке парового клапана. При остывании двигателя, когда в системе создается разряжение (0,98— 11,8 кПа) вследствие конденсации паров и уменьшения объема воды, воздушный клапан открывается, впуская атмосферный воздух. Паровоздушный клапан сообщается с атмосферой через паровоздушную трубку, приваренную к заливной горловине. Водяной насос центробежного типа создает принудительную циркуляцию охлаждающей жидкости, крепится слева сверху болтами к передней стенке кожуха шестерен распределения.

Насос состоит из корпуса 12 (рис. 13), пятилопастной крыльчатки 10, закрепленной на валу гайкой 5, самоподжимногр торцевого уплотнения 13у валика 1 и шестерни привода 17. Корпус имеет три патрубка: по одному из них 8 вода от радиатора подводится к насосу, по перепускной трубке вода поступает из водоотводной трубы головок блока; по третьему патрубку вода подводится к водяным рубашкам основного и пускового двигателей. Вал насоса вращается в двух шарикоподшипниках 18. Масло к подшипникам поступает через отверстие в корпусе насоса из смазочной системы дизельного двигателя. Чтобы масло не перетекало по валику, в корпусе установлен резинокаркасный самоподжимной сальник 14.

Рис. 13. Водяной насос Т-130М


1 — валик,
2 — маслоотражательная шайба,
3 — распорная пружина,
4, 5 — тарелки пружины,
5 — металлографитовая шайба уплотнения,
7 — прокладка,
8 — входной патрубок,
9 — гайка крепления крыльчатки,
10 — крыльчатка,
11 — кольцо из нержавеющей стали,
12 — корпус насоса,
13 — резиновая манжета самоподжимного торцового уплотнения,
14 — самопоДвижной сальник уплотнения,
15 — стопорное кольцо,
16 — дистанционная втулка,
17 — приводная шестерня,
18 — шарикоподшипник,
19 — гайка крепления приводной шестерни,
А — контрольное отверстие.

Воду в корпусе насоса удерживает самоподжимное торцевое уплотнение валика, состоящее из металлографитовой шайбы 6, кольца из нержавеющей стали, резиновой манжеты 13 и распорной пружины. Торцевые поверхности шайбы и кольца прижаты пружиной для надежного контактного уплотнения водяной полости корпуса.

От продольного перемещения вал удерживается шариковым подшипником 18, стопорным кольцом 15 и буртиком в корпусе 12.

На передний конец вала на шпонку посажена приводная шестерня 17. Эта шестерня вводится в зацепление с большой промежуточной шестерней механизма привода агрегатов двигателя.

Воду из системы охлаждения спускают через сливные отверстия в корпусе и входном патрубке насоса.

Вентилятор, создающий поток воздуха для обдува сердцевины радиатора, состоит из стального кронштейна 10 (рис. 14) с приваренной к нему осью, чугунного трехручьевого шкива 6, двойной штампованной крестовины 1 с приклепанными к ней шестью лопастями и натяжного устройства. В два ручья шкива установлены ремни для привода вентилятора, в третий — ремень для привода генератора переменного тока.

Рис. 14. Вентилятор Т-130М


1 — крестовина вентилятора,
2 — проставка,
3 — шарикоподшипник,
4 — крышка,
5 — упорная шайба,
6 — шкив вентилятора,
7 — пружинное кольцо,
8 — дистанционная втулка,
9 — самоподжимной уплотнительный сальник,
10 — кронштейн вентилятора с осью,
11 — масленка для смазывания шарикоподшипников,
12 — масленка для смазывания шейки передней опоры двигателя.

Шкив вращается на двух шариковых подшипниках 3 оси, между которыми установлена дистанционная втулка 5. Шкив закреплен на оси упорной шайбой 5 и болтами и удерживается от продольного перемещения наружной обоймой шарикоподшипника 3, пружинным кольцом 7 и крышкой 4, прикрепленной к шкиву болтами. Подшипники смазываются из масленки 11, ввернутой в ось шкива. Для предотвращения вытекания масла из правого подшипника и попадания в него грязи снаружи установлен самоподжимной сальник 9. Шкив и крестовина вентилятора в сборе с лопастями статически отбалансированы, вентилятор прикреплен к кожуху шестерен распределения.

Натяжение ремней регулируют натяжным роликом 2 (рис. 15), вращая винт 9, ввернутый в ось головки одного из двуплечих рычагов. Регулировочный винт стопорится контргайкой. Двуплечий рычаг шарнирно установлен на ось кронштейна, прикрепленного болтами к верхней стенке кожуха распределительных шестерен. На оси длинного плеча рычага на двух шариковых подшипниках находится натяжной ролик. Ремни 8 генератора натягивают, поворачивая генератор и отпустив предварительно болт 6 крепления планки 7.

Рис. 15. Регулировка натяжения ремней вентилятора и генератора Т-130М


1 — ремень вентилятора,
2 — ролик натяжения ремней,
3 — вентилятор,
4 — кронштейн генератора,
5 — генератор,
6 — болт крепления планки,
7 — планка,
8 — ремень генератора,
9 — регулировочный винт,
10 — кронштейн,
11 — шкив вентилятора,
12 — шкив коленчатого вала.

В ось ролика ввернут штуцер с трубкой. Верхний конец этой трубки подходит к масленке, через которую нагнетается смазка для подшипников натяжного ролика.

Термостат (рис. 16) предназначен для сокращения времени прогрева двигателя после его запуска. Вместе со шторкой радиатора термостат поддерживает на необходимом уровне температуру охлаждающей жидкости.

Рис. 16. Термостат Т-130М


1 — клапан,
2 — седло клапана,
3 — ограничитель подъема клапана,
4 — гофрированный баллон (сильфон),
5 — наполнитель.

На двигателе имеются два термостата, установленные в отверстия коробки водоотводной трубы и закрепленные стопорным кольцом. В коробке водоотводной трубы имеется отверстие, сообщающееся с перепускной трубкой 29 (см. рис. 12) и водяным насосом 2.


Работа системы охлаждения

После запуска пускового двигателя, когда водяной насос 2 еще не работает, происходит термосифонная циркуляция воды. Нагретая в водяной рубашке пускового двигателя вода поднимается и по отводящей трубе 47 поступает в водяные рубашки головок дизеля и в сообщающуюся с ними водоотводную трубу. При закрытых клапанах термостатов 37 вода поступает по перепускной трубе 29 во всасывающую полость водяного насоса. Из полости водяного насоса холодная вода поступает в рубашку пускового двигателя на место поднявшейся нагретой воды по патрубкам 43 и 44.

Таким образом, вода во время работы пускового двигателя циркулирует по короткому пути — из водяной рубашки пускового двигателя в рубашку дизеля, прогревая головки и цилиндры дизеля для облегчения его запуска.

После запуска дизеля приводится во вращение крыльчатка водяного насоса, которая забирает воду из водоотводной трубы 41 через перепускную трубу и подает ее в переходной патрубок. Из переходного патрубка часть воды через водораспределительную камеру поступает в водяную рубашку блока 48 и в головку цилиндров 38, а часть воды идет в водяную рубашку пускового двигателя и через отводящий трубопровод направляется в головку цилиндров.

При температуре охлаждающей воды в системе ниже 343 К (70°С) клапаны термостатов 37 закрыты, т. е. прижаты к седлу фланца. При этом вода через перепускную трубу поступает прямо в насос из водоотводной трубы 41, вследствие чего она быстро нагревается в рубашках блока и головок. С повышением температуры воды, окружающей термостаты, смесь внутри сильфона испаряется, давление ее паров возрастает, сильфон растягивается и постепенно поднимает (открывает) клапан. В образовавшийся проход между клапаном и седлом вода поступает в радиатор и охлаждается там. Из радиатора вода забирается насосом 2 и хнова подается в водяные рубашки дизеля и пускового двигателя. По мере повышения температуры воды клапан термостата поднимается и достигает максимального значения при температуре воды 358 К (85°С) . При этой температуре вся вода проходит через радиатор по большому кругу циркуляции.

С понижением температуры воды давление пэров наполнителя в сильфоне уменьшается, клапан термостата прикрывается и уменьшает циркуляцию воды .через радиатор. От этого вода в рубашке блока и головке быстрее нагревается, далее действие термостата повторяется снова. Таким образом регулируется в определенном интервале тепловой режим двигателя.


Обслуживание системы

В водяном насосе между фланцем крепления и улиткой имеется контрольное сливное отверстие А (см. рис. 13), при засорении которого в случае нарушения уплотнения вода может попасть через кожух шестерен распределения в картер. Через 240 ч работы трактора необходимо очищать проволокой указанное отверстие.

Заправляют радиатор чистой водой. Затем отверстие горловины радиатора плотно закрывают крышкой. В радиатор перегретого двигателя нельзя заливать холодную охлаждающую жидкость, чтобы не образовались трещины в рубашках цилиндров или в головках.

В холодное время года по окончании работы следует слить всю воду из системы охлаждения, поставив трактор в горизонтальное положение и отвернув спускной кран 4 (см. рис. 12), смонтированный на водяном патрубке радиатора с левой стороны трактора. Для полного опорожнения водяной рубашки дизеля следует дополнительно открыть краник 50, ввернутый в крышку водораспределительной камеры блока с левой стороны дизеля.

Систему охлаждения следует периодически опорожнять для удаления скопившейся/грязи и осадков. Это нужно делать в конце рабочего дня, когда частицы грязи находятся во взвешенном состоянии и свободно сливаются с водой. Одновременно следует снимать крышку на задней стороне блока пускового двигателя, чтобы удалить осадки из водяной рубашки.

Периодически промывают и очищают водяную систему Седовым раствором, чтобы образующаяся на стенках накипь не ухудшала условий охлаждения дизеля. Кроме того, следует периодически очищать паровоздушный клапан в крышке зтливной горловины радиатора. Для этого тщательно очищают щеткой детали клапана, удалив все посторонние вещества. Во избежание повреждений уплотнений не следует промывать клапан в каком-либо очистительном растворе.

Признаком сильного засорения сердцевины радиаторов является быстрое нарастание температуры и кипение воды при нормальной эксплуатации трактора, если это не вызвано другими причинами. При сильном загрязнении необходимо снять радиатор с трактора. Если загрязнен один масляный радиатор, его очищают на тракторе, открыв только решетку радиатора. Пыль и грязь удаляют мягкой металлической щеткой. Масляную грязь разжижают керосином или дизельным топливом, впрыскивая их на поверхность радиатора шприцем или смачивая тряпкой.

Грязь, глубоко засевшую между пластинами водяных радиаторов, удаляют плоскими деревянными палочками.

Вычищенные радиаторы протирают сухой тряпкой или продувают сжатым воздухом. Незначительно загрязненные радиаторы промывают водой на тракторе. Подшипники вентилятора и натяжного ролика периодически смазывают и проверяют натяжение ремней.

Зимой запускают дизель только хорошо прогрев двигатель горячей водой.

Особое внимание обращают на прогрев водяного насоса, так как при минусовых температурах окружающей среды детали двигателя охлаждаются и на их внутренних стенках образуются капли конденсирующейся влаги, при замерзании которых крыльчатка «прихватывается» по торцам к корпусу и раструбу водяного насоса.

При запуске дизеля с непрогретым водяным насосом может разрушиться крыльчатка, выйти из строя водяной насос. Поэтому прогревают водяной насос, залив в дизель горячую воду.


Регулировка натяжения ремней вентилятора

Для натяжения ремней вентилятора нужно отпустить контргайку регулировочного винта 9 (см. рис. 15) и вращать винт до тех пор, пока прогиб ремня (при нажатии с усилием 40 Н) не будет достигать 8—14 мм. Необходимо помнить, что слабо натянутые ремни вентилятора при работе будут бить о шкивы и сильно изнашиваться, вызовут буксование, при котором произойдет перегрев двигателя. Слишком сильно натянутые ремни приведут к большим усилиям в подшипниках и напряжению в ремнях.

При вращении винта 9 по часовой стрелке двуплечий рычаг и натяжной ролик 2 поворачиваются также по часовой стрелке, увеличивая натяжение ремней. После натяжения ремней следует надежно затянуть контргайку винта и отрегулировать натяжение ремня генератора, повернув генератор на кронштейне. Ремень генератора должен прогибаться на 10—15 мм при нажатии на него с усилием 40 Н (4 кгс).


Смазочная система Т-130М

Смазочная система служит для уменьшения потерь мощности на трение, отвода теплоты от трущихся поверхностей и удаления из масла продуктов износа и частиц нагара. Смазка, находящаяся на поверхности гильзы, колец и поршня, обеспечивает уплотнение цилиндра.

Рис. 17. Схема смазывания двигателя Т-130М


1 — манометр (указатель давления масла),
2 — трубка подвода масла от маслораспределительной плиты к масляному фильтру турбокомпрессора,
3 — трубка подвода масла к валику коромысел и коромыслам,
4 — трубка слива масла из турбокомпрессора,
5 — трубка подвода масла к турбокомпрессору,
6 — масляный фильтр турбокомпрессора,
7 — редукционный клапан,
8 — трубка подвода масла к коренным и шатунным подшипникам коленчатого вала,
9 — шатун,
10 — поршень,
11 — пробка,
12 — трубка подвода масла к втулкам промежуточной шестерни и уравновешивающего механизма,
13 — трубки подвода масла к втулкам большой промежуточной шестерни, передней втулке распределительного вала, втулкам валика привода и вертикального валика регулятора топливного насоса,
14 — масляный радиатор,
15 — трубка отвода масла из масляного радиатора к центробежному масляному фильтру,
16 — уравновешивающий механизм,
17 — передний маслоприемник передней откачивающей 1 секции масляного насоса,
18 — спускная пробка картера,
19 — масломерная линейка,
20 — маслопровод от центробежного масляного фильтра к масляному радиатору,
21 — редукционный клапан масляного насоса,
22 — центральный маслоприем-ник масляного насоса,
23 — спускная пробка с магнитом,
24 — масляный насос,
25 — центробежный масляный фильтр,
26 — редукционный клапан,
27 — задний маслоприемник задней откачивающей секции масляного насоса,
28 — маслораспределительная плита,
29 — главный маслопровод.

Устройство системы смазки

Смазочная система комбинированного типа состоит из масляного насоса 22 (рис. 17) с приводом и маслопрйемниками 17 и 27, полнопоточного центробежного масляного фильтра 25, маслораспределительной плиты 28, масляного радиатора 14, манометра (указателя давления масла) 1, маслозаливной горловины с сапуном, масломерной линейки 19 и маслопроводов.

Масляный насос шестеренчатый, трехсекционный (рис. 18): две секции откачивающие, одна — нагнетающая. Откачивающие секции перекачивают масло из переднего и заднего углублений картера в среднюю, более глубокую ванну. Нагнетающая секция всасывает масло из среднего углубления картера и подает его в магистраль.

Рис. 18. Масляный насос Т-130М


1 — стопорный штифт,
2 — приводная шестерня,
3 — валик ведущих шестерен,
4 — передняя крышка,
5 — корпус откачивающих секций,
6 — плита,
7 — установочный штифт,
8 — корпус нагнетательной секции,
9 — ведомая нагнетательная шестерня,
10 — задняя крышка,
11 — ведомая откачивающая шестерня,
12 — ось ведомых шестерен,
13 — ведущая откачивающая шестерня,
14 — ведущая нагнетательная шестерня,
15 — стяжная шпилька,
16 — призонная стяжная шпилька,
17 — предохранительный (редукционный) клапан,
18 — пружина предохранительного клапана,
19 — регулировочные прокладки,
20 — крышка предохранительного клапана.

Каждая секция состоит из пары цилиндрических шестерен, расположенных в корпусах. Между секциями установлены разделительные чугунные плиты 6, которые изолируют всасывающие и нагнетательные полости секций. Ведущие шестерни всех секций установлены на ведущем валу 3 насоса. Опорами вала служат бронзовые втулки, запрессованные в переднюю 4 и заднюю 10 крышки насоса. Ведущая шестерня. 14 нагнетательной секции дополнительно соединена с ведущим валом штифтом, удерживающим вал от продольного перемещения. Ведомые шестерни 9, 11 свободно вращаются на неподвижной чугунной оси 12, запрессованной в заднюю крышку. Крышки,-плиты и корпуса 5 и 8 секций соединены между собой шпильками 15 и 16.

К всасывающей полости нагнетательной секции прикреплен центральный маслоприемник. Корпус 8 этой секции имеет фланец для крепления насоса к нижней плоскости блока. При установке насоса канал на привалочной плоскости фланца совпадает с отверстием в блоке, по которому масло попадает от нагнетательной секции в масляную магистраль. В корпусе нагнетательной секции находится предохранительный клапан 17 с пружиной 18. При достижении определенного давления масла в нагнетательной полости клапан открывается и перепускает масло в картер, ограничивая давление, развиваемое насосом. Давление масла регулируют прокладками 19.

К крышкам насоса прикреплены трубопроводы заднего и переднего маслоприемников.

Ведущему валу насоса вращение передается через шестерни 2 и 11 (рис. 19) от вала привода 3, который через шлицевую муфту 4 получает, вращение от вала 6 уравновешивающего механизма 9. Шестерни 2 и 11 привода посажены на валы и закреплены штифтами. Валы 3 и 6 привода вращаются в бронзовых втулках, которые запрессованы в переднюю крышку масляного насоса 1 и в корпус уравновешивающего механизма. От осевого смещения вал 6 привода удерживается упорным кольцом, закрепленным на валу штифтом, а вал 3 — штифтами 10 в муфте 4.

Рис. 19. Привод к масляному насосу Т-130М


1 — масляный насос,
2 — шестерня привода,
3 — вал привода масляного насоса,
4 — шлицевая муфта,
5 — стопорное пружинное кольцо,
6 — вал уравновешивающего механизма,
7 — трубка подвода смазки к подшипникам противовесов уравновешивающего механизма,
8 — передний маслоприемник,
9 — уравновешивающий механизм,
10 — стопорный штифт,
11 — шестерня валика ведущих шестерен масляного насоса.

Масляный фильтр (рис. 20) полнопоточный, центробежный, состоит из корпуса 8, ротора и клапанов. Фильтр прикреплен к маслораспределительной плите.

Рис. 20. Центробежный масляный фильтр Т-130М


1 — втулка,
2 — клапан сливной,
3, 22, 27 — пружины,
4 — регулировочный винт,
5 — стопорная шайба,
6 — колпачковая гайка,
7, 18 — прокладка,
8 — корпус фильтра,
9 — уплотнительное кольцо,
10 — крышка ротора,
11 — остов ротора,
12 — колпак,
13 — ось,
14 — гайка ротора,
15 — упорная шайба,
16, 17 — гайки,
19 — козырек,
20 — шарик перепускного клапана,
21 — пробка,
23 — седло перепускного клапана,
24 — маслоподводящая трубка,
25 — пружинное кольцо,
26 — корпус клапана-термостата,
28 — тарелка,
29 — шарик.

Ротор, в котором происходит очистка масла, установлен на оси, ввернутой в корпус фильтра. Колпак 12, закрывающий ротор, прижат к корпусу гайкой 17, навернутой на верхний резьбовой конец оси. Между колпаком и корпусом находится уплотнительная прокладка 7. В оси имеется центральное и радиальные сверления в нижней и верхней ее частях. По нижним сверлениям масло направляется в ротор, по верхним выходит из него очищенным.

Ротор представляет собой остов 11 с крышкой 10, стянутых гайкой 14. В нижнюю часть остова ввернуты два стальных сопла с отверстиями диаметром 2 мм.

При работе дизеля масло из корпуса фильтра поступает под давлением в кольцевой зазор между осью и трубкой 24, откуда оно попадает внутрь ротора и к сопловым отверстиям. Вытекает оно из сопловых отверстий двумя сильными противоположно направленными струями, создающими реактивный момент, который вращает ротор со скоростью 5000—6000 мин-1.

Масло, проходящее внутри ротора, вращается вместе с ним. Под действием центробежной силы твердые частицы и смолистые отложения (нагар, спекшееся масло и т. д.), находящиеся в масле, отбрасываются к периферии и отлагаются на внутренней поверхности крышки 10 ротора.

Через отверстия в стержне очищенное масло поступает в трубку и по каналам в корпусе фильтра и маслораспределительной плите идет к подшипникам. Горячее масло для охлаждения поступает в масляный радиатор, а холодное открывает клапан-термостат 26 и поступает для смазывания подшипников, минуя масляный радиатор.

В фильтре размещены редукционный клапан 2, регулирующий рабочее давление в масляной магистрали, и перепускной 20, открывающийся при засорении ротора и перепускающий неочищенное масло из корпуса фильтра в главную масляную магистраль.

К корпусу фильтра подсоединены два маслопровода-трубки, по одному из них масло отводится от фильтра в масляный радиатор (летом), а по другому охлажденное масло подводится в корпус фильтра от радиатора.

К маслораспределительной длите подсоединена трубка манометра, контролирующего давление масла в главной масляной магистрали, и трубка, подводящая масло к подшипникам турбокомпрессора.

Масляный радиатор 14 (см. рис. 17) трубчатый, стальной, сварной конструкции, состоит из верхнего и нижнего коллекторов (сборников), охлаждающих овальных трубок, двух соединительных пластин и двух трубчатых стоек.

К нижнему сборнику приварен отводящий штуцер, а к правой трубчатой стойке — подводящий. К подводящему штуцеру присоединена труба, по которой горячее масло поступает в радиатор из центробежного фильтра. К отводящему штуцеру подходит труба, по которой охлажденное масло из радиатора направляется через корпус фильтра в маслораспределительную плиту и далее в главную магистраль. В левой трубчатой стойке на верхнем сборнике имеется отверстие, которое служит для соединения внутреннего пространства радиатора с атмосферой при полном спуске масла из двигателя и радиатора. Из масляного радиатора масло спускается через отверстия в отводящей и подводящей трубках, закрываемых болтом-пробкой.

Масляный радиатор двигателя установлен перед масляным радиатором трансмиссии и прикреплен вместе с ним к водяному радиатору.

Внутри картера двигателя скапливаются пары масла и газы, проникающие из цилиндра при износе поршневых колец. В результате может сильно повыситься давление внутри блока двигателя, что вызовет утечку масла.

Для уменьшения давления газов в картере у двигателя имеется сапун; через трубку 2 (рис. 21) сапуна картерная полость блока двигателя сообщается с атмосферой. Сапун имеет набивку 1 из тонкой стальной проволоки, которая препятствует проникновению пыли внутрь блока и выбрасыванию из него масла наружу.

Рис. 21. Маслозаливная горловина с сапуном Т-130М


1 — набивка,
2 — трубка отвода газов,
3 — проволочная дужка,
4 — крышка,
5 — резиновая прокладка,
6 — маслозаливная горловина.

Набивка находится в съемной кассете, смонтированной на маслозаливной горловине 6. Горловина с крышкой 4 прикреплена к блоку двигателя двумя болтами.

Схема смазочной системы показана на рис. 17 и 22. Работает система следующим образом. От шестерни распределительного вала через промежуточную шестерню и шестерни привода вращение передается на вал шестерен масляного насоса. Вместе с валом приводятся во вращение пара шестерен нагнетательной секции 20 и две пары шестерен откачивающих секций 21 и 25.

Рис. 22. Схема работы масляного насоса, центробежного масляного фильтра и фильтра турбокомпрессора Т-130М


1 — центральный маслоприемник масляного насоса,
2 — передний картер,
3 — задний дартер,
4 — задний маслалрием-ник,
5 — указатель давления масла,
6 — труба подвода масла от масляного радиаТбра,
7 — перепускной клапан-термостат,
8 — труба подвода масла к масляному радиатору,
9 — регулировочный винт сливного клапана,
10 — сливной клапан,
11 — перепускной клапан фильтра турбокомпрессора,
12 — штуцер, подвода масла к фильтру,
13 — стяжная гййка,
14 — масляный фильтр турбокомпрессора,
15 — резиновое уплотнительное кольцо,
16 — фильтрующий элемент,
17 — уплотняющее кольцо,
18 — маслораспределительная плита,
19 — блок двигателя,
20 — нагнетательная секция масляного насоса,
21 — передняя откачивающая секция масляного насоса,
22 — передний маслоприемник,
23 — спускная пробка,
24 — перепускной клапан,
25 — задняя откачивающая секция масляного насоса,
26 — пружина перепускного клапана,
27 — трубка к указателю давления масла,
28 — центробежный масляный фильтр,
29 — сопло ротора.

Нагнетательные шестерни через центральный маслоприемник 1 с сеткой забирают масло из резервуара картера 2 и подают его по каналу в блоке в камеру маслораспределительной плиты 18. Из нее масло поступает по каналу в корпус центробежного масляного фильтра 28 для очистки.

В зимнее время через открывшийся клапан-термостат 7 очищенное масло из фильтра, минуя радиатор, поступает в главную масляную магистраль. В летнее время при закрытом клапане-термостате масло из фильтра поступает по трубе 8 в радиатор, охлаждается там и по трубе 6 возвращается в корпус фильтра, откуда идет в маслораспределительную плиту и далее в главный маслопровод 29 (см. рис. 17).

Из главного маслопровода 29 масло по трубкам 8 и каналам в блоке поступает к коренным подшипникам для смазывания шеек коленчатого вала. От коренных подшипников через каналы в коленах вала масло стекает к шатунным шейкам, предварительно пройдя центробежную очистку в полостях этих шеек. Затем по каналу в теле каждого шатуна 9 масло проходит к втулке верхней головки шатуна и через каналы в верхней головке сливается на днище поршня 10, охлаждая его. Вытекая из-за зазоров в коренных и шатунных подшипниках, масло разбрызгивается вращающимся валом по всему пространству блока, попадая на стенки цилиндров, поршни, толкатели, шейки и кулачки распределительного вала.

Масло, подаваемое к переднему коренному подшипнику коленчатого вала, частично отводится по каналу в блоке к штуцеру, ввернутому в переднюю стенку блока. От этого штуцера масло по трубкам 13 подается к переднему подшипнику распределительного вала, осям большой и малой промежуточных шестерен. От главного маслопровода масло по трубке 12 поступает к уравновешивающему механизму и оси малой промежуточной шестерни.

От подшипника распределительного вала масло стекает по каналу в боковой стенке блока в корпус регулятора, откуда оно поступает по каналам и трубке к передней втулке валика привода насоса и регулятора и к верхней втулке вертикального валика регулятора, смазывая их.

Поступающее к большой Промежуточной шестерне масло частично отводится по трубке к подшипнику водяного насоса, а масло, вытекающее из-под втулок промежуточных шестерен, разбрызгиваясь, попадает на зубья распределительных шестерен и смазывает их.

Подшипник валика турбокомпрессора смазывается маслом, которое поступает в фильтр 6 из маслораспределительной плиты 28 по трубке 2 и далее направляется к турбокомпрессору.

Для смазывания сопряжений клапанно-распределительного механизма масло из главного маслопровода по трубкам 3 стекает в полость валиков коромысел, а оттуда через отверстия — в зазор во втулке коромысла. Направляющие втулки клапанов и шаровые концы регулировочных винтов смазываются маслом, идущим к ним через каналы в коромысле. С указанных деталей клапанно-распределительного механизма масло стекает в картер двигателя и попадает на штанги толкателей, штанги декомпрессора, на толкатели и кулачки распределительного валика.

Из переднего 17 и заднего 27 маслоприемников масло отсасывается откачивающими шестернями насоса в масляный резервуар.

Периодически, в сроки, установленные техническим обслуживанием, необходимо заменять масло в картере двигателя, промывать масляную систему, очищать полость ротора центробежного фильтра от отложений, промывать фильтр к турбокомпрессору.

Во время удаления отложений из ротора фильтра проверяют чистоту сопл-жиклеров и сетки и промывают ротор дизельным топливом.

При каждой замене масла в картере следует промывать набивку сапуна и смачивать ее дизельным маслом. Для замены масла в картере двигателя выворачивают две пробки нижнего картера, пробку, расположенную сверху масляного радиатора, и пробку в трубе, подводящей масло от масляного радиатора к фильтру. Затем снимают колпак масляного фильтра, вынимают ротор, разбирают его, удаляют отложения со стенок и промывают ротор в чистом дизельном топливе.

Для промывки картера, после слива из него отработанного масла, следует поставить все пробки на место, залить в картер 15 л смеси, состоящей из 50% дизельного топлива и 50% дизельного или моторного масла, пустить дизель и промыть картер и всю систему смазки при работающем двигателе в течение 2—3 мин. Во время работы двигателя следят за давлением масла; оно должно быть не менее 98 кПа (1,0 кгс/см²).

После остановки двигателя сливают смесь из картера двигателя, масляного радиатора и труб, подводящих и отводящих масло от масляного радиатора к фильтру. Меняя масло в картере двигателя, снимают крышки боковых люков картера, отъединяют и промывают сетку центрального маслоприемника и магнитную пробку. Запрещается протирать внутренние поверхности картера и блока тряпками, так как нитки от них будут засорять сетки маслоприемников и нарушать нормальную подачу масла.

В картер заливают свежее масло на 80 мм выше уровня метки «мах» на масломерной линейке.

После заливки масла запускают двигатель, дают ему проработать 2—3 мин, затем останавливают двигатель и снова проверяют уровень масла и, если необходимо, доливают его до нормального уровня.

Затем проверяют плотность всех соединений, не допуская течи масла.

При работе прогретого двигателя с нормальной частотой вращения давление масла 4 должно быть 196—343 кПа (2,0—3,5 кгс/см²). Если оно не соответствует указанной выше величине (при исправном указателе давления масла); необходимо отрегулировать его редукционным клапаном на масляном фильтре или на масляном насосе регулировочными прокладками.

Все остальные механизмы дизеля смазывают согласно таблице смазывания.

Ежесменно контролируют работу центробежного масляного фильтра. Для этого устанавливают максимальную частоту вращения коленчатого вала двигателя и дают ему проработать на этом режиме 2—3 мин. Затем, выключив подачу топлива, останавливают двигатель и определяют на слух продолжительность вращения ротора. При нормальной работе центрифуги должен прослушиваться характерный, постепенно затихающий шум при вращении ротора в течение 20—40 с.


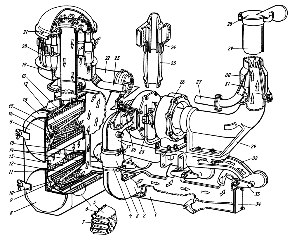
Система питания двигателя Т-130М воздухом

Подачу воздуха в цилиндры осуществляет система питания воздухом. В эту систему входят воздухоочиститель, турбокомпрессор 26 (рис. 23), впускной 1 и выпускной 32 коллекторы.

Рис. 23. Система питания двигателя воздухом Т-130М


1 — впускной коллектор,
2 — нижний патрубок подвода воздуха к впускному коллектору от турбокомпрессора,
3 — компенсационный резиновый патрубок,
4 — стяжной хомут,
5 — фильтрующий элемент,
6 — внутренняя сетка фильтр-патрона,
7 — наружная сетка фильтр-патрона,
8 — крышка корпуса воздухоочистителя,
9 — крышка основного фильтр-патрона,
10 — крышка предохранительного фильтр-патрона,
11 — резиновое уплотнительное кольцо,
12 — предохранительный фильтр-патрон,
13 — основной фильтр-патрон,
14 — резиновые уплотнительные кольца,
15 — обойма,
16 — гайка крепления предохранительного фильтр-патрона,
17 — стяжная стойка,
18 — корпус воздухоочистителя,
19 — поддон циклонного воздухоочистителя,
20 — элементы циклонного воздухоочистителя,
21 — колпак,
22 — патрубок для подвода воздуха к турбокомпрессору,
23 — патрубок отсоса пыли из поддона циклонного воздухоочистителя,
24 — направляющий аппарат циклона,
25 — корпус циклона,
26 — турбокомпрессор,
27 — патрубок (эжекционная труба) для отсоса пыли из поддона циклонного воздухоочистителя,
28 — крышка выхлопной трубы,
29 — выхлопная труба,
30 — корпус эжектора выхлопной трубы,
31 — внутренний патрубок эжектора выхлопной трубы,
32 — выпускной коллектор,
33 — планка крепления впускного и выпускного коллекторов,
34 — крышка впускного коллектора,
35 — масляная трубка,
36 — регулировочная заслонка,
37 — верхний патрубок.

Воздухоочиститель

На двигателе установлен двухступенчатый воздухоочиститель, состоящий из муль-тициклонного очистителя 20 с эжекционным автоматическим удалением пыли и бумажных фильтров 12 и 13 тонкой очистки воздуха.

Мульти циклонный очиститель включает 30 двухзаходных циклонов 20, расположенных в панели двумя рядами. В поддон 19 очистителя вварена трубка, которая одним концом с помощью шланга соединена с воздухопроводом, а вторым прикреплена к отростку трубы 31 — эжектору, вваренному в выхлопную трубу 29 дизеля. Очиститель грубой очистки воздуха прикреплен болтами к патрубку основного воздухоочистителя.

Воздухоочиститель (вторая ступень очистки) состоит из корпуса 18, крышки 8 и четырех бумажных фильтров-патронов — два (больших) основных 13 и двух (малых) предохранительных 12. К корпусу воздухоочистителя в верхней части приварены два патрубка. К одному из них прикреплен-мультициклонный очиститель, другой патрубок 22 соединен шлангом с компрессором (нагнетателем) турбокомпрессора 26. Воздухоочиститель прикреплен к головке цилиндров, впускному и выпускному коллекторам дизеля с помощью кронштейнов.

Благодаря разрежению на входе в компрессор (нагнетатель) турбокомпрессора 26 и, следовательно, в корпусе 18 и патрубке 22 воздухоочистителя воздух всасывается через входные окна в циклоны 20 и движется с завихрением. Центробежная сила отбрасывает частицы пыли к стенкам циклона; через нижнее отверстие его они ссыпаются в поддон 19. Из поддона пыль отсасывается и выбрасывается выхлопными газами через трубу 29 в атмосферу. Предварительно очищенный воздух выходит через верхние отверстия направляющего аппарата циклонов 24 в центральный патрубок и корпус 18 основного воздухофильтра, где подвергается вторичной более тонкой очистке, проходя через слой бумаги фильтр-патронов 12 и 13. Затем воздух поступает через задний патрубок воздухоочистителя в нагнетательную часть турбокомпрессора 26, откуда под давлением нагнетается во впускной коллектор 1 и цилиндры двигателя.

В связи с тем что пыль из мульти-циклонного очистителя отсасывается автоматически, его необходимо осматривать и промывать только через 960 мото-ч (при ТО-3). Промывают его дизельным топливом и просушивают; при необходимости промывают эжекционную 27 и выхлопную 29 трубы. Умеренно запыленные основные (наружные) фильтр-патроны 13 продувают сжатым воздухом под давлением 147—196 кПа (1,5—2 , кгс/см²) через 240 л работы, предохранительные 12 (внутренние) — через 480 ч. Струю воздуха направляют изнутри. Во избежание разрыва бумажной шторы сопло располагают на расстоянии 30 мм от бумаги и под углом 30—45° к вертикальной оси фильтр-патрона. Не следует очищать фильтр-патроны, постукивая или встряхивая их, так как это может привести к нарушению заделки краев бумаги и отрыву крышек 9 и 10. Запрещается продувать фильтр-патроны отработанными газами двигателя, чтобы не замасливалась бумага. Через 720 ч работы (после того как фильтр-патроны 2—3 раза продувались), а также при замасливании основные фильтр-патроны промывают в горячем (50° С) 2%-ном водном растворе пасты ОП-7 или ОП-10 (20 г пасты на 1 л воды). Предохранительные фильтр-патроны промывают в таком же растворе через 1440 ч.

Промывание осуществляют следующим образом: фильтр-патроны погружают в раствор на 2 ч, затем прополаскивают в нем в - течение 10—20 мин. Потом фильтр-патрон промывают в чистой воде и тщательно высушивают при комнатной температуре в течение 24 ч. Если нет пасты, то фильтр-патроны можно промывать в растворе стирального порошка, предварительно продув их сжатым воздухом. Однако следует учесть, что промывка в чистой воде не устраняет замасливания. Промывку в чистой воде вместо продувки можно также применять, если нет сжатого воздуха, но при этом нужно иметь в виду, что промывка в большей степени, чем продувка, изнашивает бумагу. Периодичность продувки и промывки фильтр-патронов может быть увеличена или уменьшена в зависимости от запыленности и влажности воздуха, вида выполняемой работы и грунта. При переходе на новый вид работ рекомендуется осматривать фильтр-патроны ежесменно, чтобы установить наиболее подходящую для конкретных условий периодичность обслуживания, фильтр-патронов и пользоваться ею в дальнейшем.

Срок службы основных фильтр-патронов 13 при своевременном проведении продувок и промывок и умеренной запыленности составляет 1500 мото-ч, предохранительных — 3000 мото-ч. Нельзя устанавливать фильтр-патроны с разрывом бумаги, нарушением заделки ее краев, повреждением уплотнительных колец. Это проверяют «на свет», помещая внутрь фильтр-патрона электролампу. К крышке 8 воздухоочистителя приварены специальные угольники, предохраняющие гайки-барашки, крепящие фильтр-патроны, от отворачивания. Если угольник крышки упирается в барашек, его нужно повернуть на четверть оборота. При работе трактора в особо пыльных условиях продувать фильтр-па,троны следует через 10—60 ч, промывать — через 2—3 продувки. Продувать и промывать загрязненные фильтр-патроны нужно не реже, чем указано в рекомендациях, так как засорение фильтрующей бумаги повышает сопротивление воздухоочистителя и может служить причиной дымления, залегания поршневых колец и снижения мощности двигателя.


Сигнализатор засоренности

Сигнализатор засоренности установленный в кабине трактора, состоит из прозрачного корпуса 5 (рис. 24), поршня 3 красного цвета, возвратной пружины 6, манжеты 2, разделяющей полость сигнализатора на два отсека: разрежения «В», которое сообщается с трассой впускных коллекторов, и атмосферного давления «А».

Рис. 24. Указатель засорения воздухоочистителя Т-130М


1 — кнопка клапана,
2 — разделительная манжета,
3 — поршень,
4 — клапан,
5 — корпус,
5 — возвратная пружина,
7 — резиновая втулка;
А — полость атмосферного давления,
В — полость разрежения.

Сигнализатор надет на трубку, соединенную со штуцером на выходном патрубке воздухоочистителя. При возрастании разрежения в трассе впускных коллекторов двигателя поршень перемещается и сжимает пружину. Степень засоренности воздухоочистителя определяют при максимальной частоте вращения двигателя, работающего на холостом ходу. Полное перекрытие окна поршнем сигнализирует о необходимости проведения очередного обслуживания воздухоочистителя (продувки, промывки или замены бумажных фильтр-патронов и промывки мультициклонного очистителя).


Турбокомпрессор

Турбокомпрессор предназначен для принудительного нагнетания воздуха в цилиндры двигателя под определенным давлением. Он представляет собой одноступенчатый центробежный компрессор с приводом от радиальной центростремительной турбины, работающей в потоке выхлопных газов двигателя, Состоит из турбинного 23 (рис. 25) и компрессорного 7 колес и трех корпусов (компрессора 12, среднего 2 и турбины 26).

Рис. 25. Турбокомпрессор ТКР-11 Т-130М


1 — подшипник,
2 — средний корпус,
3, 14, 17 — прокладки,
4 — крышка уплотнения,
5, 19 — штифт,
6 — фирменная табличка,
7 — колесо компрессора,
8 — гайка крепления колеса компрессора,
9, 10, 24 — кольцо уплотнения,
11 — вставка компрессора,
12 — корпус компрессора,
13 — резиновое уплотнительное кольцо,
15, 20 — регулировочные прокладки,
16 — фиксатор,
18 — сопловой венец,
21 — вставка турбины,
22 — экран,
23 — колесо турбины,
25 — кольцо уплотнения с уплотнительными кольцами,
26 — корпус турбины,
27 — диск уплотнения,
28 — вал ротора турбокомпрессора;
А — зазор между лопатками колеса турбины и вставкой,
Б — зазор между лопатками кодеса компрессора и вставкой.

Колесо компрессора насажено на носок вала 28 турбокомпрессора и закреплено на нем гайкой 8, а колесо турбины приварено к валу 28. Колеса в сборе с валом подвергнуты динамической балансировке, так как они вращаются во время работы турбокомпрессора с частотой 40 000 мин-1. В корпусах компрессора и турбины находятся вставки 11 и 21. Вставка 11 компрессора соединена с патрубком воздухоочистителя, а вставка 21 турбины входит при установке турбокомпрессора в отверстие патрубка выхлопной трубы дизеля и имеет канавки под уплотнительные пружинные кольца 24. Последние плотно прилегают к поверхности выхлопной трубы, не давая просачиваться выхлопным газам.

К фланцу компрессора прикреплен патрубок, второй конец которогосоединен с впускным коллектором дизеля.

Выхлопные газы входят в корпус турбины через два канала: по одному из них подходят газы от второго и третьего цилиндров, по второму — от первого и четвертого. Подвод газов в турбокомпрессор позволяет использовать энергию выхлопных газов для вращения колеса турбины.

Вал 28 ротора турбокомпрессора свободно вращается в бронзовой втулке — подшипнике 1. Втулка может немного перемещаться относительно корпуса, от осевого перемещения ее удерживает стопор-фиксатор 16, который входит в отверстие втулки.

Втулка смазывается маслом, поступающим по трубке от маслораспределительной плиты. Трубка подсоединена к штуцеру, ввернутому в резьбовое отверстие стопора. От этого же штуцера отходит трубка, идущая к манометру, показывающему давление масла.

Масло, поступающее к турбокомпрессору, дополнительно очищается в сетчатом фильтре 14 (см. рис. 22). Шариковый перепускной клапан 11 фильтра открывается при засорении его и перепускает неочищенное масло во втулку.

Чтобы масло не перетекало в корпус компрессора, на валике установлено кольцо 9 (см. рис. 25) с маслосгонной резьбой, а в канавке втулки имеются два чугунных уплотнительных кольца 10.

Для предотвращения перетекания масла в корпус турбины между втулкой и диском уплотнения 27 около турбинного колеса в канавки вставлены чугунные уплотнительные кольца.

Масло, пройдя через зазор между втулкой и валиком, скапливается во внутренней полости среднего корпуса, откуда по трубке возвращается в смазочную систему дизеля.

Давление нагнетания воздуха, подача и коэффициент полезного действия турбокомпрессора зависят от герметичности корпусов и зазоров А и Б между корпусами нагнетателя, турбины и средним корпусом. Разъемы в корпусах тщательно уплотнены прокладками. Зазоры А и Б регулируют прокладками 15 и 20. При смещении ротора к среднему . корпусу зазор А должен быть равен 0,5 — 0,7 мм, а зазор Б — 0,5—0,9 мм.

Во время работы дизеля отработанные газы поступают в корпус 26 турбины и через сопловый венец 18 направляются на лопатки турбинного колеса 23.

Энергия потока газов на лопатках турбинного колеса преобразуется в механическую энергию, которая приводит во вращение турбинное колесо, валик и колесо 7 компрессора. Отработанные газы, проходя с большой скоростью мимо отверстия выхлопной трубы, связанной с поддоном мультициклонного очистителя воздуха, создают в ней разрежение и отсасывают тем самым пыль из поддона.

Колесо 7 компрессора, вращаясь с большой скоростью, создает разрежение во вставке 11 корпуса компрессора, благодаря этому воздух всасывается через воздухоочиститель и поступает на лопатки колеса компрессора. Воздух движется по лопаткам от центра к периферии колеса, поступает в корпус 12 компрессора и под давлением нагнетается во впускной коллектор и цилиндры дизеля.

В процессе эксплуатации турбокомпрессор не регулируют.

По указателю давления масла турбокомпрессора необходимо следить за циркуляцией масла через турбокомпрессор. Давление масла должно быть не ниже 98 кПа (1 кгс/см²), при его падении останавливают двигатель, выясняют и устраняют причину.

Периодически через 240 ч работы дизеля проверяют места уплотнений турбокомпрессора, подтягивают крепления, не допуская утечки и подсоса воздуха, пробивания газов и подтекания масла. Особенно тщательно проверяют крепление турбокомпрессора, воздухоочистителя и патрубков за компрессором.

При пуске дизеля после включения подачи топлива проверяют, как работает турбокомпрессор, прислушиваясь к зэуку высокого тона. Останавливая хорошо прогретый двигатель, проверяют на слух состояние турбокомпрессора по пробегу ротора.

Периодически через 960—1000 ч работы дизеля следует прочищать и промывать маслофильтр, трубку подвода масла и отверстия в штуцере и угольнике и проверять осевой (не более 0,3 мм) и диаметральный (не более 0,9 мм со стороны турбины) люфты ротора. Если ротор врйщается туго, необходимо снять турбокомпрессор и промыть его. После промывки во избежание повреждений рабочих колес турбины и компрессора открытые патрубки вставок турбины и компрессора, фланцы корпусов турбины и компрессора, отверстия подвода и слива масляной полости должны быть закрыты.

Разбирать, промывать и собирать турбокомпрессор должен только опытный механик в мастерской. Перед разборкой очищают наружные поверхности корпусов от грязи. Корпуса турбины и компрессора снимают только съемником. Корпус турбины необходимо снимать в первую очередь, так как на его посадочном диаметре образуется много нагара.

Соскребать грязь с поверхности колес нельзя, чтобы не нарушить их динамическую балансировку. В промытом среднем корпусе валик должен легко вращаться в крайних положениях при смещении его до отказа к среднему корпусу в сторону турбины и компрессора.

Во избежание разбалансировки разбирают ротор только в случае крайней необходимости, предварительно нанеся метки на торцы гайки вала и колеса компрессора, чтобы при сборке установить детали в первоначальное положение. Не следует снимать со среднего корпуса диски и экран уплотнения во избежание нарушения соосности отверстий.

Чтобы не произошло разбалансировки валика и колес, запрещается всякая механическая обработка и замена какой-либо детали, кроме гайки крепления колеса компрессора.

Перед установкой в подшипник рабочие шейки вала смазывают чистым дизельным маслом. В случае промывки турбокомпрессора без разборки ротора перед установкой корпусов турбины и компрессора проверяют затяжку гайки валика. Ослабленные гайки 8 подтягивают (момент равен 40—45 Н/м).

При сборке ротора совмещают метки-риски на компрессоре, гайке и валике. Во избежание нарушений зазоров А и Б между вставками и колесами необходимо поставить те же прокладки или новые той же толщины, так как может произойти авария из-за задевания колес о вставки.

После окончательной сборки турбокомпрессора заливают через штуцер 16 подвода масла в средний корпус чистое профильтрованное масло, при этом вращают ротор от руки для образования масляной пленки на подшипнике. На собранном турбокомпрессоре ротор должен свободно вращаться при смещении его до отказа к среднему корпусу, при этом задевание и прихватывание ротора не допускаются.

Устанавливая турбокомпрессор на двигатель проверяют, нет ли посторонних предметов в «улитках» корпусов турбины и компрессора, которые могут вывести из строя колеса ротора.

Перед подсоединением трубки от фильтра к турбокомпрессору калиброванное отверстие в поворотном угольнике, а также полый штуцер, которым притягивается поворотный угольник к штуцеру-стопору среднего корпуса, должны быть тщательно промыты. Затем замеряют по секундомеру пробег ротора на слух при остановке прогретого двигателя сразу же после выключения подачи топлива на режиме максимальных холостых оборотов. Ротор должен вращаться не менее 5 с и плавно остановиться.

В таблице приведены возможные неисправности турбокомпрессора и способы их устранения.


Неисправности турбокомпрессора
Неисправность Причина неисправности Способ устранения
Непрерывный или периодически повторяющийся шум, вибрация Колесо задевает за вставки корпусов компрессора или турбины Снять турбокомпрессор. Проверить осевой и радиальный люфты ротора турбокомпрессора. При необходимости установить дополнительные прокладки под корпус компрессора или турбины толщиной 0,15 мм
Повреждены лопатки колес. Заменить ротор, при необходимости подшипник и сопловый венец
Нарушена балансировка Отбалансировать ротор или заменить его
Ротор турбокомпрессора не вращается или вращается туго Чрезмерно высокая температура выпускных газов Проверить и отрегулировать топливную аппаратуру
Заедает вал ротора в подшипнике Проверить каналы смазочной системы: турбокомпрессора и очистить их. При необходимости заменить подшипник
Колеса ротора и проточные части компрессора и турбины покрыты отложениями Промыть колеса ротора и проточные части компрессора и турбины от отложений
Поврежден ротор (в колеса попал посторонний предмет) Заменить ротор и при необходимости сопловый венец и поврежденные детали
Внезапная остановка двигателя из-за большой нагрузки при разогретом турбокомпрессоре Перед остановкой двигателя выключением подачи топлива проработать на холостом ходу 5 мин для охлаждения турбокомпрессора
Мало давление наддува, дымный выхлоп, снижена мощность двигателя Разрегулирована или неисправна топливная аппаратура Отрегулировать или исправить топливную аппаратуру
Утечка воздуха из компрессора через соединения патрубков Подтянуть хомуты крепления шлангов в соединении верхнего и нижнего патрубков, устранить утечку воздуха в соединениях впускной трассы
Засорились бумажные фильтр- патроны в воздухоочистителе Продуть, промыть или заменить фильтр-патроны. Промыть мультициклонный очиститель

Прогорела прокладка под фланцем корпуса турбины

Заедает ротор турбокомпрессора

Заменить прокладку

Снять, отремонтировать или заменить турбокомпрессор

Течь масла из турбокомпрессора, масло проникло во впускной коллектор, двигатель плохо останавливается, при разгрузке произвольно увеличивается его частота вращения Высокое сопротивление воздухоочистителя из-за засорения бумажных фильтр-патронов Продуть, промыть или заменить бумажные фильтр-патроны. Промыть мультициклонный очиститель
Изношены или повреждены уплотнительные кольца со стороны компрессора. Изношен подшипник Заменить уплотнительные кольца или подшипник
Длительная работа на холостом ходу более 20 мин При необходимости длительной работы на холостом ходу периодически переводить двигатель на работу под нагрузкой в течение 0,5—1 ч
Давление масла в турбокомпрессоре ниже 98 кПа (1 кгс/см2) Неисправен указатель давления масла турбокомпрессора Заменить указатель
Засорен фильтрующий элемент масляного фильтра турбокомпрессора Промыть фильтрующий элемент масляного фильтра турбокомпрессора
Неисправны, засорены трубки подвода масла к турбокомпрессору и указателю Заменить или промыть трубки подвода масла к турбокомпрессору и указателю
Засорилось калиброванное отверстие в поворотном штуцере перед турбокомпрессором Прочистить калиброванное отверстие в поворотном штуцере перед турбокомпрессором

Впускной коллектор

Впускной коллектор (см. рис. 23) подводит воздух в цилиндры двигателя, снабжен рубашкой для подогрева (при пуске двигателя) воздуха, поступающего в цилиндры, отработанными газами пускового двигателя. Отработанные газы входят в рубашку через отверстие в боковой стенке коллектора, сообщающегося с выпускной трубой пускового двигателя, а выходят через каналы в коллекторе и выхлопную трубу пускового двигателя, прикрепленную к передней торцевой стенке коллектора.

К фланцу передней стенки впускного коллектора крепится фланец патрубка 2, соединенного с турбокомпрессором. По этому патрубку воздух поступает от турбокомпрессора 26 в цилиндры дизеля.

Впускной 1 и выпускной 32 коллекторы закреплены на головках двигателя общими прижимными планками 33, шпильками и гайками. Под головки цилиндров проложены медно-асбестовые прокладки.

К передней стенке выпускного коллектора четырьмя шпильками крепится кронштейн вертикального валика пускового приспособления пускового двигателя.

К фланцам на верхней стенке выпускного коллектора 32 прикреплены турбокомпрессор 26 и выхлопная труба 29 дизеля.


Система питания дизеля Т-130М топливом

Топливная система состоит из топливного бака 3 (рис. 26), топливного фильтра 12 грубой очистки, топливоподкачивающего насоса 10 шестеренчатого типа, топливного фильтра 9 тонкой очистки, топливного насоса 11, всережимного центробежного регулятора, форсунок б, топливопровода 5 высокого давления, механизма управления подачей топлива (акселератор), манометра 7 топлива. Топливный насос, всере-жимный регулятор, топливоподкачивающий насос, фильтр тонкой очистки топлива и счетчик моточасов смонтированы в один узел.

Рис. 26. Система питания двигателя топливом Т-130М


1 — проходной кран топливного бака,
2 — спускной кран,
3 — топливный бак,
4 — сливная трубка форсунок,
5 — топливопровод высокого давления,
6 — форсунка,
7 — манометр,
8 — продувочный вентиль,
9 — фильтр тонкой очистки топлива,
10 — топливоподкачивающий насос,
11 — топливный насос,
12 — фильтр грубой очистки топлива.

Топливоподкачивающий насос

Ведущая шестерня 25 (рис. 27), посаженная на шпонке на ведущем валике 14, от осевого смещения удерживается штифтом 26. Ведущий валик вращается в двух бронзовых втулках 15 и 24, запрессованных в корпус 7 насоса и корпус 19 сальника. На верхнем конце ведущего валика находится приводная шестерня 18 со спиральным зубом, входящая в зацепление с шестерней вала регулятора.

Рис. 27. Топливоподкачивающий насос Т-130М


1 — болт крепления редукционного клапана,
2 — штуцер отвода топлива,
3 — штифт,
4 — плита,
5 — корпус шестерен,
б — ведомая шестерня,
7 — корпус насоса,
8, 2 — прокладка,
9, 11 — резиновое уплотнительное кольцо,
10 — подводящая трубка,
12 — резиновая манжета сальника,
13 — пружина самоподжимного сальника,
14 — валик насоса,
15, 24 — втулка,
16 — корончатая гайка,
17 — шпонка,
18 — приводная шестерня,
19 — корпус самоподжимного сальника,
21 — перепускной клапан,
22 — пружина,
23 — корпус перепускного клапана,
25 — ведущая шестерня,
26 — штифт стопорный,
27 — самоподжимной сальник,
28 — ось ведомой шестерни.

В корпусе на ведущем валике установлены два резинокаркасных самоподвижных сальника, предотвращающих попадание топлива в корпус регулятора. Сальниковая полость через канал в корпусе, штуцер 2 и трубку, ввернутую в этот штуцер, сообщается с атмосферой.

Ведомая шестерня 6 свободно вращается на чугунной оси 28, запрессованной в корпус насоса. Корпус шестерен 5 соединен с корпусом насоса двумя штифтами 3. Шестерни насоса стальные, ведущий валик стальной цементированный и закаленный на высокую твердость.

Топливоподкачивающий насос способен создать давление топлива в системе выше требуемого. Для поддержания необходимого давления избыточное количество топлива сливается во всасывающую полость насоса через пластмассовый перепускной клапан 21, прижимаемый пружиной 22 к отверстию корпуса насоса.

В канал, выходящий на верхнюю плоскость корпуса насоса, запрессована переходная труба 10, через которую топливо подходит к фильтру. На трубу надето резиновое уплотнительное кольцо 9, препятствующее просачиванию топлива между плоскостями корпусов подкачивающего насоса и регулятора.

Сопрягающиеся поверхности тщательно притерты и смазаны перед сборкой тонким слоем клея БФ-4. Установка прокладок в этих местах для устранения течи топлива не допускается, так как она увеличивает торцевой зазор между шестернями и корпусом насоса, а следовательно, и внутренние утечки топлива в насосе.

Давление топлива перед топливным насосом, создаваемое подкачивающим насосом, поддерживается перепускным клапаном 21 в пределах 78—108 кПа (0,8—1,1 кгс/см²) при частоте вращения валика насоса 500 мин-1. При этом насос развивает подачу не менее 1,2 л/мин.

Возможные неисправности топливоподкачивающего насоса и способы их устранения приведены в таблице.


Неисправности топливоподкачивающего насоса Т-130М
Неисправность Причина неисправности Способ устранения
Снизилась подача насоса Засорился редукционный клапан Разобрать клапан и промыть его в чистом топливе
Неправильно установлено резиновое кольцо Правильно надеть резиновое кольцо на трубку топливного канала
Износились шестерни насоса Заменить шестерни
Топливо подтекает через сальник валика привода насоса Заменить сальник

Давление топлива по

манометру недостаточно

Неисправен манометр Заменить манометр
Засорилась трубка подвода топлива к манометру Промыть трубку
Снизилась подача насоса Отремонтировать насос, как указано выше

Топливный фильтр грубой очистки

Сетчатый топливный фильтр грубой очистки состоит из корпуса 6 (рис. 28), фильтрующего сетчатого элемента 3, успокоителя 10 и стакана 2, прикрепленного к корпусу болтами и кольцом 4. В местах разъема установлены уплотнительные прокладки 5 и 9. После сборки фильтр подвергается опрессовке дизельным топливом под давлением 200±50 кПа в течение 2 мин, при этом течь в местах разъема не допускается.

Рис. 28. Топливный фильтр грубой очистки Т-130М


1 — спускная пробка,
2 — стакан фильтра,
3 — сетчатый элемент,
4 — прижимное кольцо,
5, 9 — прокладка,
6 — корпус фильтра,
7 — подводящий штуцер,
8 — отводящий штуцер,
10 — успокоитель.

Успокоитель служит для того, чтобы механические примеси и вода отстаивались в стакане фильтра. Отстой сливают через спускную пробку 1. К корпусу присоединен болтами кронштейн для крепления топливного фильтра на крышке смотрового люка блока дизеля с правой его стороны. Топливо, пройдя фильтр грубой очистки, поступает через штуцер 8 по трубке в топливоподкачивающий насос.

Периодически, в сроки, установленные техническим обслуживанием, следует сливать отстой из стакана через нижнее отверстие, закрываемое пробкой 1, снимать и промывать чистым топливом сетчатый элемент 3, стакан и корпус фильтра.

При температуре окружающего воздуха ниже 273 К (0° С) рекомендуется сливать осадок сразу же после окончания работы.


Топливный фильтр тонкой очистки

Топливный фильтр тонкой очистки состоит из корпуса 13 (рис. 29), плиты 3, фильтрующих элементов 14, стержней 1 и 15 фильтрующих элементов, крышки 6. Корпус фильтра прикреплен к корпусу регулятора. В стенках фильтра два канала, по одному из них топливо поступает от подкачивающего насоса, по другому отводится очищенное топливо к секциям топливного насоса.

Рис. 29. Топливный фильтр тонкой очистки Т-130М


1 — стержень длинный,
2, 4 — прокладки,
3 — плита,
5 — пружина,
6 — крышка фильтра,
7 — сухарик,
8 — штифт,
9 — продувочный вентиль,
10 — штуцер,
11 — прокладка,
12 — штуцер отводящий,
13 — корпус фильтра,
14 — фильтрующий элемент,
15 — стержень короткий.

В корпусе фильтра размещены шесть сменных фильтрующих элементов 14, изготовленных из хлопчатобумажной пряжи, намотанной на оцинкованный проволочный каркас. Для более тщательной фильтрации топлива сетчатый каркас обернут фильтровальной бумагой. Чтобы продлив срок службы фильтрующих элементов, они имеют дополнительный слой бумаги. Фильтрующие элементы прикреплены к плите стержнями 1 и 15 с упорными шайбами и пружинами 5. Пружины через сухарики 7 и штифты 8 плотно прижимают фильтрующие элементы к плите. На два длинных стержня 1 надеты по два фильтрующих элемента, а на два коротких 15 — по одному.

Зазоры в стыках фильтрующих элементов с плитой, упорными шайбами и между торцами двух соприкасающихся между собой фильтрующих элементов на длинных стержнях не допускаются.

Для выбора зазора между указанными поверхностями необходимо после сборки фильтрующих элементов со стержнями и плитой взять каждый элемент снизу и повернуть его на ½—1 оборот, одновременно прижимая с небольшим усилием к плите. При повороте фильтрующие элементы держат параллельно друг другу и перпендикулярно плите.

На концах длинных стержней имеются направляющие стаканчики, которые посажены на штифты, запрессованные в дно колодца корпуса регулятора. Такое крепление длинных стержней исключает соприкосновение элементов друг с другом и их раскачивание.

В верхнюю часть крышки ввернут продувочный вентиль 9, предназначенный для выпуска воздуха во время заполнения системы питания топливом. При выворачивании вентиля конусная часть его иглы открывает отверстие в крышке, через которое проходит эмульсия (смесь воздуха с топливом) в канал крышки, затем в канал корпуса, далее через отводящий штуцер 12 и трубку — в атмосферу. Как только в топливе не будет пузырьков воздуха, вентиль 9 заворачивают до отказа.

Топливо, нагнетаемое топливоподкачивающим насосом внутрь корпуса фильтра, проходит через фильтрующие элементы и поступает внутрь каркаса. Далее по зазору между стержнем и каркасом топливо поднимается вверх и через каналы, образованные между стержнями и отверстиями в плите, поступает в полость верхней крышки 6, откуда по наклонному каналу в корпусе фильтра поступает в канал корпуса регулятора, из которого оно подается к топливному насосу.

В отверстие, сообщающееся с каналом корпуса регулятора, ввернут штуцер для присоединения трубки манометра топлива.

Колодец в корпусе регулятора служит одновременно отстойником, из которого периодически выпускают отстой, отворачивая пробку.

Собранный фильтр подвергают опрессовке дизельным топливом под давлением 300 кПа (3 кгс/см²) в течение 3 мин, при этом течь топлива в местах соединений не допускается.

Периодически, в сроки, установленные техническим обслуживанием, следует удалять из корпуса фильтра отстой и промывать чистым топливом колодец-отстойник фильтра, для этого нужно закрыть проходной кран топливного бака, вывернуть пробку сливного отверстия в корпусе регулятора и открыть продувочный вентиль 9 топливного фильтра.

Как только осадки и топливо стекут из корпуса фильтров через спускную пробку, промывают из шприца отстойник (колодец).

При засорении фильтрующих элементов 14 снижается мощность двигателя и падает давление топлива в системе, стрелка указателя давления топлива устанавливается в диапазоне красного цвета.

Фильтрующие элементы 14, засорившиеся первый раз, снимают, сматывают с каждого элемента всех фильтров верхний слой намотки и первый слой фильтрующей бумаги. После этого фильтрующие элементы устанавливают в фильтр. После повторного засорения все фильтрующие элементы заменяют новыми. Перед установкой новых элементов следует тщательно промыть в чистом дизельном топливе внутренние полости корпуса фильтров, крышки, плиту, стержни, сухарики и пружины, а неисправные прокладки заменить. После установки фильтрующих элементов надо ввернуть пробку, открыть проходной кран топливного бака и заполнить топливом топливную. систему.

Запасные фильтрующие элементы во избежание загрязнения следует хранить в заводской упаковке в пыленепроницаемом ящике.


Топливный насос

Топливный насос секционный, четырехплунжерный, состоит из четырех секций 28 (рис. 30), механизма привода плунжера 16 секций, механизма регулирования подачи топлива, корректора подачи топлива. Все детали секции смонтированы в стальном корпусе. Для получения надлежащей плотности плунжер 16 и гильза 18 притерты и подобраны друг к другу с зазором 0,001—0,002 мм.

Рис. 30. Топливный насос Т-130М


1 — стопорная пластина,
2 — болт,
3 — контргайка,
4 — тяга рейки,
5 — крышка корректора,
6 — стопорный угольник,
7 — пружина толкателя,
8 — регулировочная муфта,
9 — толкатель,
10 — контргайка,
11 — отражательная тарелка,
12 — регулировочный хвостовик толкателя,
13 — заглушка,
14 — резиновое кольцо,
15 — зубчатый сектор,
16 — плунжер,
17 — гильза плунжера,
18 — седло обратного клапана,
19 — соединительная трубка подвода топлива к секции насоса,
20, 21 — уплотнительное кольцо,
22 — обратный клапан,
23 — стопорный штифт,
24 — пружина обратного клапана,
25 — продувочная игла,
26 — стопорное кольцо,
27 — штуцер топливопровода высокого давления,
28 — секция насоса,
29 — стопорный винт гильзы плунжера,
30 — болт,
31 — угольник крепления секции,
32 — направляющая пластина рейки,
33 — упорное кольцо тяги рейки,
34 — поводок рейки,
35 — крышка бокового люка,
36 — рейка,
37 — передняя втулка кулачкового вала,
38 — корпус насоса,
39 — пробка заливного отверстия,
40 — нижняя крышка,
41 — направляющий палец толкателя,
42 — пробка сливного отверстия,
43 — ролик,
44 — кулачковый вал,
45 — ось ролика,
46 — задняя опорная втулка кулачкового вала,
47 — упорная шайба,
48 — крышка заднего подшипника.

Секция топливного насоса с помощью плунжера 19 (рис. 31), движущегося в гильзе 18, под большим давлением подает топливо через форсунки в камеру сгорания дизеля.

Рис. 31. Секция топливного насоса Т-130М


1 — защитный стаканчик,
2 — зубчатый сектор плунжера,
3 — стяжной винт,
4 — деревянная пробка,
5 — уплотнительное кольцо,
6 — боковое отверстие в гильзе,
7 — продувочная игла,
8 — стопорный штифт,
9 — защитный колпачок,
10 — пружина обратного клапана,
11 — стопорное кольцо,
12 — штуцер,
13 — обратный клапан,
14 — седло обратного клапана,
15 — медное уплотнительное кольцо,
16 — корпус секции,
17 — стопорный винт гильзы,
18 — гильза плунжера,
19 — плунжер;
С — метка на плунжере,
В — риска на зубчатом секторе,
Д — метка на зубе зубчатого сектора.

Подобранные пары (плунжер — гильза) проходят специальное испытание на плотность и их разбивают на две группы. Для обеспечения равномерности подачи топлива на насос ставят комплект пар плунжер — гильза одной и той же группы. Номер группы выбит на корпусе секции возле стопорного винта гильзы. Через боковое отверстие 6 в гильзе диаметром 3+0’05 мм подводится топливо в надплунжерную полость. Головка плунжера имеет продольный паз, сообщающий надплунжерное пространство с кольцевой канавкой. Нижняя часть головки имеет косой срез, необходимый для изменения количества подаваемого плунжером топлива. Если плунжер повернуть влево, то количество топлива, подаваемого секцией, уменьшится (рис. 32). Если плунжер повернуть влево так, чтобы продольный паз на головке был обращен к впускному отверстию 6, то нагнетания топлива не будет.

Рис. 32. Схема работы плунжерной пары топливного насоса Т-130М


а — заполнение топливом надплунжерного пространства,
б — нагнетательный ход плунжера,
в — прекращение подачи топлива (отсечка);
I — максимальная подача топлива,
II — подача топлива отключена.

Для уменьшения нагаро- и смолообразования в выхлопном тракте, особенно при работе в условиях низких температур окружающего воздуха, автоматически отключаются на холостом ходу второй и третий цилиндры (рис. 33); в результате нагрузка в первом и четвертом цилиндрах возрастает, температура повышается, топливо полнее сгорает и значительно уменьшается выброс в выхлопные каналы частиц несгорающего топлива, которые и образуют смолистые отложения. Для отключения на холостом ходу второго и третьего цилиндров у плунжеров II и III секций топливного насоса сделан более широкий перепускной продольный паз и увеличена высота отсечной кромки косого среза.

Рис. 33. Схема автоматического отключения цилиндров 2 и 3 при работе двигателя Т-130М


а—в — момент пуска и под нагрузкой,
б — на холостом ходу;
1 — гильза,
2 — плунжер,
3 — зубчатый сектор плунжера,
4 — рейка,
5 — плоскость блока насоса.

II и III секции невзаимозаменяемые с I и IV и имеют для отличия от них метку 0 (отключение), выбитую ниже стопорного винта гильзы, а их плунжеры — отличительный поясок, расположенный в нижней цилиндрической части.

На плунжер в нижней части надет и закреплен стяжным болтом алюминиевый зубчатый сектор 2. На один из зубцов сектора нанесена установочная риска «Д», которую при сборке насоса совмещают с риской на впадине зубца рейки 36 (см. рис. 30) топливного насоса. Поворачивая зубчатый сектор относительно плунжера, изменяют подачу топлива секцией насоса. Чтобы плунжер можно было удерживать при повороте зубчатого сектора, на шейке плунжера сделаны две лыски под ключ. Внизу плунжер имеет головку, которая входит в паз регулировочного винта толкателя насоса.

Над гильзой плунжера расположен обратный клапан 13 (см. рис. 31), перекрывающий при ходе плунжера вниз нагнетательные каналы (в секции, трубке высокого давления и форсунке) от пространства в гильзе над плунжером. Клапан около тарелки имеет разгрузочный цилиндрический поясок, который при вхождении клапана в седло 14 создает разрежение в нагнетательном канале и увеличивает объем его, чем вызывается быстрое падение давления в канале. Благодаря такому устройству обратного клапана происходит быстрая посадка иглы распылителя форсунки на место и резкая отсечка впрыска топлива без подтекания его из распылителя. Клапан к седлу прижат пружиной 10, установленной в штуцере 12. Клапан и седло притерты и подобраны парами с зазором 0,006 мм. Такая посадка обратного клапана обеспечивает достаточную легкость движения его в гнезде при необходимой плотности посадки разгрузочного пояска.

Между седлом обратного клапана и нижним торцом штуцера установлено медное уплотнительное кольцо 15. На торцевых поверхностях кольца сделаны кольцевые канавки для лучшего уплотнения кольца.

В верхней части штуцер имеет наружную резьбу для подсоединения топливопровода высокого давления, идущего к форсунке. Снаружи на штуцере нарезаны зубцы, на которые надевают стопорное кольцо 11, удерживающее штуцер от проворачивания. В верхнее отверстие канала ввернута продувочная игла 7 с запирающим конусом, служащая для выпуска воздуха из топливной системы.

Каждую секцию на заводе-изготовителе регулируют на максимальную подачу топлива, после чего на торцевой поверхности зубчатого сектора наносят риску «В» против метки «С» плунжера. Это позволяет легко установить сектор на место при повороте его относительно плунжера.

Секцию в собранном виде устанавливают в корпус насоса на два установочных штифта и закрепляют четырьмя болтами 30 (см. рис. 30) с помощью прижимных угольников 31. Между корпусом насоса и корпусом секции на соединительную трубку 19 надевают резиновое уплотнительное кольцо 20.


Механизм привода плунжеров секций насоса

Смонтирован в нижнем отделении чугунного корпуса 38 насоса и состоит из кулачкового вала 44, вращающегося в двух бронзовых втулках 37 и 46, четырех толкателей 9 с роликами 43 и регулировочными хвостовиками 12 с контргайками 10, пружин 7 толкателей и двух стопоров, запрессованных в корпус и удерживающих толкатели от вращения.

Опорные шейки кулачкового вала снабжены маслораспределительными канавками. Кулачковый вал получает вращение от валика привода регулятора. На переднем торце кулачковый вал имеет диаметральный паз, в который входит поводок валика привода. Паз на кулачковом вале и поводок на валу регулятора смещены относительно оси симметрии валиков, что обеспечивает соединение их только в одном, вполне определенном положении. Вал насоса удерживается от осевого перемещения стальной шайбой 47, прикрепленной к валу. Передняя втулка 37 выступает из корпуса насоса и входит в отверстие корпуса регулятора.

Толкатели при работе совершают возвратно-поступательное движение, сообщая его плунжерам. Вверх толкатель перемещают кулачки, а вниз — возвратные пружины.

Регулирует подачу топлива зубчатая рейка 36, соединенная поводком 34 с тягой 4. Тяга рейки установлена в двух бронзовых втулках, запрессованных в стенки корпуса насоса. Зубцы рейки входят в зацепление с зубчатыми секторами 15 плунжеров. Четыре впадины зубцов рейки отмечены риской, проведенной от впадин по всей поверхности рейки и на всех ее гранях. При правильной регулировке насоса в эти меченые впадины входит меченой риской зуб сектора плунжера. Рейка, передвигаясь в направляющих пазах блока насоса, поворачивает зубчатые секторы и плунжеры, изменяя количество подаваемого топлива. Подача топлива увеличивается при передвижении тяги рейки вперед (вправо). От поперечного смещения рейку удерживают пластины 32. Кольцо 33 на тяге рейки служит упором при передвижении ее назад для выключения подачи топлива.

На резьбе тяги рейки навернута регулировочная муфта 5, которая имеет на заднем торце четыре паза. После регулировки на максимальную подачу в один из этих пазов ставят стопорный угольник 6, другая сторона которого входит в паз на тяге рейки. Угольник прижимается контргайкой 5, навинченной на конец тяги. Регулировочная муфта, удерживая от перемещения вперед тягу и рейку, ограничивает подачу топлива. Положение муфты отрегулировано на заводе и при эксплуатации не должно нарушаться.


Корректор подачи топлива

Он предназначен для увеличения подачи топлива при перегрузке двигателя и увеличения крутящего момента дизеля, состоит из подкладки толщиной 2,8 мм для двигателя Д-160 и 3,6 мм для двигателя Д-160Б, пластинчатой пружины, у которой жестко закреплен нижний конец. Механизм корректора закрыт крышкой 5 (см. рис. 30), прикрепленной к блоку тремя болтами.

Детали насоса (кроме плунжера — гильзы и обратного клапана — гнезда) смазываются маслом, заливаемым в корпус через отверстие на передней стенке корпу-за, закрытое пробкой 39. Выливают масло через спускную пробку 42 нижней крышки. Для регулировки насоса в передней стенке корпуса предусмотрен люк, закрытый крышкой 35.

Топливный насос установлен с правой стороны дизеля и прикреплен шпильками к корпусу регулятора. Между фланцем насоса и фланцем корпуса регулятора имеется картонная прокладка. В месте установки топливоподводящей трубки, соединяющей каналы корпуса регулятора и насоса, проложено резиновое уплотнительное кольцо. Насос центрируется на корпусе регулятора передней втулкой 37 и штифтом.


Регулятор

Он всережимный, центробежного типа. Вал 2 (рис. 34 и 35) привода регулятора установлен в корпусе на двух втулках: впереди — на втулке 35, запрессованной в корпус 34 подшипника, а сзади—на втулке 3, вмонтированной в корпус насоса. Втулка 3 служит опорой кулачковому валу насоса и валу 2 регулятора. На валу регулятора находится приводная шестерня 26, имеющая на ободе с передней стороны около впадин зубьев четыре метки: 1, 2, 3, 4, расположенные через 90° одна от другой. Метки (цифры) предназначены для установки момента начала подачи топлива секциями топливного насоса. Заодно с валом изготовлены шестерни 1 и 36 привода топливоподкачивающего насоса 42 и работомера 37.

Рис. 34. Регулятор Т-130М


1 — шестерня привода подкачивающей помпы,
2 — вал привода регулятора и топливного насоса,
3 — втулка заднего подшипника,
4 — сальник,
5 — трехплечий рычаг регулятора,
6 — регулировочная тяга к рейке топливного насоса,
7 — упор минимальной частоты вращения,
8 — пружина регулировочного болта упора минимальной частоты вращения,
9 — пружина регулятора,
10 — регулировочный болт упора минимальной частоты вращения,
11 — стопорная втулка регулировочных болтов,
12 — крышка люка регулировочных болтов,
13 — пружина регулировочного болта упора максимальной частоты вращения,
14 — регулировочный болт упора максимальной. частоты вращения,
15 — одноплечий рычаг регулятора,
16 — втулка верхнего подшипника вертикального валика регулятора,
17 — вертикальный валик регулятора,
18 — крышка верхнего люка корпуса регулятора,
19 — маслоподводящая трубка,
20 — ролик рычага регулятора,
21 — игольчатый подшипник,
22 — упорный шарикоподшипник муфты регулятора,
23 — верхний валик рычагов регулятора,
24 — подвижная муфта регулятора,
25 — двуплечий рычаг регулятора,
26 — шестерня привода регулятора и топливного насоса,
27 — груз регулятора,
28 — упорный шарикоподшипник вертикального валика регулятора,
29 — фланец корпуса шарикоподшипника,
30 — корпус шарикоподшипника,
31 — регулировочные прокладки,
32 — упорные плиты,
33 — упорный диск,
34 — корпус переднего подшипника приводного вала,
35 — втулка переднего подшипника,
36 — шестерня привода работомера,
37 — работомер,
38 — нижний валик трехплечего рычага,
39 — коническая пара шестерен привода вертикального валика регулятора,
40 — направляющие штифты,
41 — упор максимальной частоты вращения,
42 — топливоподкачивающий насос,
43 — шестерня валика топливоподкачивающего насоса.

Перемещение вала в осевом направлении ограничивается вращающимся упорным диском 33, расположенным между двумя неподвижными упорными плитами 32, прикрепленными к корпусу 34. Между плитами установлены дистанционные втулки, толщина которых, подобрана таким образом, чтобы осевое перемещение вала находилось в пределах 0,035—0,145 мм.

На среднюю часть валика надета ведущая коническая шестерня, приводящая во вращение ведомую шестерню и вертикальный валик 17, установленный на двух опорах. Нижней опорой валику служат один радиальный шариковый подшипник 28 и один упорный. Под корпус 30 радиального шарикоподшипника, а также под внутрённюю упорную плиту 32 установлены прокладки, которыми регулируют зазор в конических шестернях в пределах 0,15—0,30 мм. Верхней опорой вертикальному валику служит втулка 16, запрессованная в верхнюю крышку 18.

В проушинах вертикального валика на осях шарнирно закреплены два груза 27, которые в верхней части сухариками воздействуют на подвижную муфту 24. На муфту насажен упорный шариковый подшипник 22, верхняя плоскость которого упирается в два ролика 20, сидящих на осях двух рычагов 15 и 25. Рычаги смонтированы на верхнем валике 23, установленном на двух игольчатых подшипниках 21 в отверстиях корпуса регулятора. Вертикальное плечо двуплечего рычага 25 шарнирно связано с регулировочной тягой 6, задний конец которой соединен с тягой рейки топливного насоса. Длину регулировочной тяги при установке регулятора можно изменять вилкой.

В нижний конец пружины 9 ввинчен наконечник с регулировочным винтом и контргайкой. Длину пружины регулируют, ввертывая или вывертывая наконечники так, чтобы при растяжении ее на 20 мм усилие сжатия ее было равно 64—67 Н (6,5—6,9 кгс). Перед установкой пружины винтом нижнего наконечника изменяют расстояние между центрами отверстий в верхнем наконечнике и проушине регулировочного винта в пределах 119—120 мм.

Проушина регулировочного винта пружины шарнирно связана с трехплечим рычагом 5, установленным на шлицах нижнего горизонтального валика 38. Валик может свободно поворачиваться в отверстиях корпуса регулятора. На наружном конце валика на шпонке закреплен наружный рычаг, который связан через промежуточные тяги и рычаги с рычагом акселератора и педалью деселератора механизма управления подачей топлива.

Два крайних плеча трехплечего рычага являются упорными при работе дизеля на максимальной и минимальной частотах вращения. Наружное плечо рычага при его повороте вниз под действием рычага акселератора (для получения максимальной частоты вращения) упирается в регулируемый упор 41 максимальной частоты вращения. Положение упора изменяют по высоте болтом 14, ввинченным в упор. На головку рычага надета стопорная втулка-муфта, с помощью которой можно поворачивать болт и перемещать вниз или вверх упор 41, устанавливая необходимую максимальную частоту вращения. Упор удерживает от проворота штифт 40, входящий в его продольный паз.

Внутреннее плечо трехплечего рычага при его повороте вверх под действием рычага акселератора механизма управления подачей топлива (для получения минимальной частоты вращения холостого хода) упирается в регулируемый упор 7. Устройство для регулирования упора минимальной частоты вращения холостого хода аналогично вышеописанному устройству с той лишь разницей, что упор минимальной частоты вращения вставлен в отверстие в приливе корпуса регулятора. Передняя втулка вала регулятора и верхняя опора вертикального валика смазываются маслом, поступающим под давлением по каналу в корпусе и далее по трубке 19 к верхней втулке. Остальные детали смазываются масляным туманом, образующимся во время вращения вертикального валика. Отработанное масло скапливается на дне корпуса и через окно в передней стенке перетекает в кожух распределительных шестерен и далее в картер двигателя.

Работает регулятор и корректор подачи топлива следующим образом. Во время работы дизеля вращения коленчатого вала через распределительные шестерни передается валу 18 (рис. 35) регулятора и кулачковому валику насоса, а также через конические шестерни — вертикальному валику 13 регулятора.

Рис. 35. Схема работы регулятора Т-130М


1 — корректор подачи топлива,
2 — регулировочная муфта,
3 — рейка насоса,
4 — плунжер,
5 — гильза плунжера,
6 — тяга к механизму управления подачей топлива,
7 — наружный рычаг регулятора,
8 — упор минимальной частоты вращения,
9 — пружина регулятора,
10 — муфта подвижная,
11 — двуплечий рычаг регулятора,
12 — грузик регулятора,
13 — вертикальный валик,
14 — конические шестерни,
15 — упор максимальной частоты вращения,
16 — трехплечий рычаг,
17 — тяга регулятора,
18 — валик привода регулятора,
19 — тяга рейки насоса.

Кулачковый валик насоса, вращаясь, перемещает плунжер 4, который подает топливо в определенном количестве, соответствующем положению косого среза относительно отверстия в гильзе 5.

Вместе с вертикальным валиком вращаются грузы 12 регулятора, которые под действием центробежной силы, поворачиваясь на своих осях, расходятся. При этом грузики нажимают на подвижную муфту 10 регулятора, стремясь переместить ее вверх, вдоль оси вертикального валика.

Перемещению муфты противодействует пружина 9 регулятора, натяжение которой зависит от положения рычага акселератора. Пусть рычаг акселератора установлен в положение, соответствующее какой-то нагрузке дизеля, при которой в регуляторе установилось равновесное состояние между центробежной силой грузов, натяжением пружины и силой трения в механизме. При увеличении нагрузки на двигатель частота вращения его начнет несколько снижаться. Вследствие уменьшения центробежной сшщ грузов они под действием пружины регулятора несколько опустятся (рычаг акселератора при этом останется неподвижным).

При сближении грузиков муфта 10 регулятора, перемещаясь вниз, передвинет двуплечим рычагом 11 и тягой 19 рейку 3 топливного насоса вперед. Рейка при этом повернет зубчатый сектор и плунжер 4 в сторону увеличения подачи топлива. Увеличение подачи топлива вызовет нарастание крутящего момента дизеля в соответствии с возросшей нагрузкой.

Во время разгрузки двигателя произойдет обратное явление — частота вращения двигателя несколько повысится. При этом грузы регулятора под действием центробежной силы будут передвигать рейку и поворачивать плунжер в сторону уменьшения подачи. Крутящий момент двигателя будет снижаться до уменьшенной нагрузки.

Переставляя рычаг акселератора в кабине трактора, можно изменить натяжение пружины регулятора и установить различные скоростные режимы двигателя от минимальной частоты вращения холостого хода (рычаг акселератора передвинут вниз до упора) до частоты вращения при максимальной мощности (рычаг акселератора передвинут вверх до отказа). На любом скоростном режиме работы двигателя регулятор автоматически изменяет количество подаваемого топлива в зависимости от нагрузки на двигатель. Если двигатель загружен (режим максимальной мощности), то тяга 3 (рис. 36) рейки топливного насоса находится в положении полной подачи топлива, при котором регулировочная муфта 1 на тяге упирается в пластинчатую пружину 4 корректора, не деформируя ее. При загрузке двигателя больше максимальной мощности частота вращения коленчатого вала падает, центробежная сила грузов регулятора уменьшается. Грузы начинают сближаться, и рейка под действием натяжения пружины регулятора еще выдвигается, регулировочная муфта начинает при этом постепенно изгибать пружину корректора, й подача топливного насоса за цикл продолжает увеличиваться до того момента, пока частота вращения коленчатого вала дизеля снизится до 700 в минуту. При этом муфта 7 тяги рейки, пройдя корректирующий? ход, прижмет пружину корректора к корпусу 2 насоса и дальнейшее увеличение подачи топлива прекратится, а если нагрузка продолжает расти, то двигатель глохнет. Постепенное увеличение подачи топлива за каждый цикл при перегрузках приводит к нарастанию крутящего момента дизеля в необходимых пределах и позволяет ему преодолеть кратковременно действующие перегрузки. Однако нельзя длительное время эксплуатировать двигатель на режиме, когда работает корректор, так как при этом увеличивается расход топлива, двигатель быстро перегревается.

Рис. 36. Корректор подачи топлива Т-130М


а — положение рейки при максимальной подаче,
6 — положение рейки при максимальном крутящем моменте,
в — корректирующий ход рейки;
1 — регулировочная муфта,
2 — корпус насоса,
3 — тяга рейки,
4 — пружина корректора,
5 — подкладка.

Форсунка

Форсунка — бесштифтовая, многодырчатая, закрытого типа, свободно вставлена в латунную втулку, закрепленную в головке блока гайкой. Она удерживается во втулке прижимом и гайкой, навернутой на шпильку.

Снизу к корпусу 4 (рис. 37) форсунки прикреплен распылитель 16 с иглой 1. На конусной части распылителя 16 просверлено пять отверстий диаметром 0,35 мм. Игла распылителя закрывает их своей конической частью. В собранной форсунке между верхним торцом иглы и нижним торцом корпуса имеется зазор 0,45±0,05 мм, величина которого определяет подъем иглы во время впрыска топлива.

Рис. 37. Форсунка Т-130М


1 — игла распылителя,
2 — гайка крепления распылителя,
3 — нажимная штанга с тарелкой пружины,
4 — корпус,
5 — резиновое кольцо,
6 — щиток,
7 — пружина,
8 — шайба,
9, 15, 17 — медные кольца,
10 — колпачок,
11 — регулировочный винт,
12 — контргайка,
13 — штуцер подвода топлива,
14 — щелевой фильтр,
16 — распылитель.

Пружина 7 прижимает иглу к конической поверхности с распыливающими отверстиями. Усилие пружины, обеспечивающее давление в момент подъема иглы и впрыска 20 МПа (200 кгс/см²), регулируется винтом 11 с контргайкой 12. На регулировочный винт 11 навернут колпачок 10, к которому подсоединена трубка для отвода топлива, просачивающегося через зазор между иглой и корпусом распылителя. В корпус форсунки ввернут подводящий штуцер 13, внутри которого расположен щелевой фильтр 14 со щелью 0,02— 0,04 мм. Между торцом нажимной гайки и дном бронзовой втулки установлено медное уплотнительное кольцо 17. Втулку форсунки от грязи, масла и воды предохраняет резиновое уплотнительное кольцо 5.

Периодически, как указано в техническом обслуживании, необходимо снимать форсунки и проверять качество распыливания топлива ими.

Для проверки давления распыливания топлива следует снять проверяемую форсунку и вместе с макси-метром (рис. 38) присоединить ее к секции насоса, остальные форсунки отсоединяют от секций. Рычаг акселератора устанавливают в положение максимальной подачи топлива и, проворачивая коленчатый вал дизеля пусковым двигателем, прокачивают топливо через форсунку. После этого ослабляют пружину макси-метра до тех пор, пока топливо не начнет выходить из контрольного отверстия максиметра. Затем постепенно, затягивая пружину максиметра, следят за началом распыливания топлива форсункой. Правильно отрегулированная форсунка должна распыливать топливо при давлении 19,6 МПа (200 кгс/см²); если давление больше или меньше указанной величины, форсунку следует отрегулировать.

Рис. 38. Проверка форсунки по максиметру Т-130М


1 — проверяемая форсунка,
2 — максиметр.

Проверить давление распиливания топлива форсункой можно и по эталонной форсунке. Для этого следует через тройник 2 (рис. 39) присоединить к секции 4 проверяемую 1 и эталонную 5 форсунки. Затем, прокачивая топливо, как указано выше, проследить за началом распиливания топлива форсунками. Правильно отрегулированная форсунка должна распиливать топливо одновременно с эталонной. Если через одну из форсунок топливо подается раньше, то испытываемую форсунку нужно отрегулировать.

Рис. 39. Проверка форсунки по эталонной Т-130М


1 — проверяемая форсунка,
2 — тройник,
3 — топливопровод высокого давления,
4 — секция насоса,
5 — эталонная форсунка.

Перед регулировкой форсунку тщательно очищают от грязи. Отвернув колпачок, ослабляют контргайку регулировочного винта и, вращая последний специальной отверткой, регулируют затяжку пружины.

При завинчивании регулировочного винта давление распиливания увеличивается, при отвинчивании — уменьшается.

Закончив регулировку, затягивают контргайку и устанавливают колпачок. Отрегулированная форсунка должна подавать через все пять отверстий равномерные струи мелкораздробленного до туманообразного состояния топлива. Отсечка должна быть резкой, без подтекания и образования капель.

Если топливо выходит из форсунки в виде струй или в массе туманообразного топлива наблюдаются сгущения или отдельные струйки, отсечка не резкая и сопровождается подтеканием с образованием на носике стекающих капель, то такая форсунка к работе не пригодна и должна быть заменена. Когда форсунка плохо распиливает топливо, нужно проверить и отрегулировать ее.

Периодически через 960—1000 ч работы следует снимать форсунки и прочищать распиливающие отверстия от нагара. Все отверстия прочищают иглой, затем прокачивают через форсунку топливо.

При установке форсунок следует уплотнительное медное кольцо слегка смазать солидолом и надеть конусом к торцу гайки. Рекомендуется прокладку под форсунку использовать не более двух раз, а затем заменить ее на новую или отжечь.

Перед тем как закрепить форсунку рычагом, следует повернуть ее штуцером к стыку головок и вставить форсунку во втулку до упора ее усилием рук. Плечи рычага должны располагаться симметрично относительно диаметра форсунки. Зазора между опорной поверхностью форсунки и плечами рычага не должно быть.

При замене форсунки необходимо при снятой головке проверить между распылителем и отверстием в головке радиальный зазор, который должен быть не менее 0,05 мм, и выступание распылителя в пределах 3—5 мм.


Работомер

Для учета проработанных двигателем часов на корпусе регулятора установлен работомер (рис. 40), приводимый в движение от вала регулятора через пару спиральных шестерен. Поворот диска счетного механизма работомера на одно деление происходит после каждых 60 000 оборотов коленчатого вала двигателя, что соответствует 1 ч работы двигателя при частоте вращения 1000 мин-1. По показаниям работомера проводят техническое обслуживание двигателя.

Рис. 40. Работомер (счетный механизм) Т-130М


1 — корпус,
2 — крышка,
3 — стекло,
4 — пробка,
5 — подшипник валика,
6 — приводная шестерня,
7 — самоподжимнон сальник,
8 — червячная шестерня счетного механизма,
9 — валик,
10 — счетный механизм.

Механизм управления подачей топлива

Механизм управления подачей топлива состоит из акселератора, его-рычага и педали деселератора. Механизм позволяет изменять натяжение пружины регулятора и тем самым регулировать скоростной режим двигателя и его мощность. Этот механизм позволяет включать и выключать подачу топлива при пуске двигателя и его остановке.

Акселератор состоит из корпуса 6 (рис. 41), барабана 4 с фрикционной (тормозной) лентой 9, оси 1 барабана, промежуточного рычага 2 акселератора, промежуточного рычага 3 деселератора, винта 12 натяжения, пружины 10. Промежуточный рычаг 2 с помощью тяг соединен с рычагом акселератора, а промежуточный рычаг 3 — с педалью деселератора, находящихся в кабине трактора.

Рис. 41. Акселератор Т-130М


1 — ось барабана,
2 — промежуточный рычаг акселератора,
3 — промежуточный рычаг деселератора,
4 — барабан,
5 — крышка,
6 — корпус,
7 — упор,
8 — ось фрикционной (тормозной) ленты,
9 — фрикционная (тормозная) лента,
10 — пружина,
11 — контргайка,
12 — винт натяжения.

Рычагом акселератора включают и выключают (крайнее нижнее положение) подачу топлива и устанавливают максимальный скоростной режим двигателя. Для снижения частоты вращения двигателя, а следовательно, и его мощности пользуются педалью деселератора, которая через систему тяг и рычагов воздействует на наружный рычаг регулятора.

Фрикционную ленту акселератора затягивают винтом 12 и пружиной 10 так, чтобы рычаг акселератора в кабине трактора самопроизвольно не перемещался под воздействием пружины регулятора. После регулировки натяжной винт стопорят контргайкой 11.

Топливную систему заполняют следующим образом. При попадании воздуха в нее пуск дизеля затруднен или у работающего дизеля происходит пропуск вспышек в цилиндрах. Для удаления воздуха при открытом проходном кране топливного бака открывают продувочные вентили на топливном фильтре тонкой очистки и на секциях топливного насоса. Рукоятку акселератора устанавливают в крайнее нижнее положение, рукоятку декомпрессора — в положение «пуск» и запускают пусковой двигатель.

Когда коленчатый вал дизеля будет проворачиваться пусковым двигателем на ускоренной передаче, включают подачу топлива, переставив рукоятку акселератора в верхнее положение. После этого провертывают коленчатый вал дизеля пусковым двигателем до тех пор, пока топливо не начнет выходить из отверстий продувочных вентилей сплошной непрерывной струей без воздушных пузырьков. Затем вентили закрывают. Вначале закрывают продувочный вентиль топливного фильтра тонкой очистки, потом — продувочные вентили секций топливного насоса.

Для удаления воздуха из топливной системы все продувочные вентили открывают и закрывают несколько раз один за Другим, как указано выше. Вводить большое количество топлива в цилиндры неработающего дизеля нежелательно. Поэтому после заполнения топливом топливной системы следует сразу же запустить дизель.

Топливный насос, форсунка и регулятор представляют собой тщательно отрегулированные на заводе механизмы топливной аппаратуры. Разбирать и регулировать их могут только ’ квалифицированные механики в специальных мастерских.

При разборке топливной аппаратуры, особенно секций и форсунок, нужно соблюдать абсолютную чистоту.

В условиях нормальной эксплуатации трактора необходимость в проверке и регулировке топливного насоса возникает очень редко, только замена топливного насоса, секции или деталей может изменить регулировку, установленную заводом.

Во время ремонта в случае необходимости следует регулировать и проверять топливный насос на момент начала и величину подачи топлива, как указано ниже. На топливном насосе должны быть правильно отрегулированы хвостовики 12 (рис. 42) толкателей 13. Для этого необходимо на двигатель установить маховик 16 на ходе сжатия так, чтобы метка «ВМТ 1—4 цил» не доходила до острия указателя 15 на угол Д, равный 24° для двигателя Д-160 и 23°— для двигателя Д-160Б. При таком положении маховика и снятой первой секции 6 насоса следует проверить расстояние Д от верхней плоскости корпуса топливного насоса до опорного торца хвостовика толкателя, в который упирается торец плунжера. Расстояние Д должно быть равно 45,5±0,05 мм. В случае необходимости регулировки, вывинчивая или завинчивая хвостовик 12 толкателя, установить требуемый размер. Поворачивая каждый раз маховик на 180° и устанавливая его в указанное положение меток, отрегулировать на размер 45,5±0,05 мм остальные хвостовики толкателей в порядке работы цилиндров, т. е. 1—3—4—2.

Рис. 42. Схема регулировки и проверки топливного насоса на момент начала подачи топлива (первой секцией) Т-130М


1 — шестерня коленчатого вала,
2 — шестерня распределительного вала большая,
3 — шестерня распределительного вала малая,
4 — шестерня привода топливного насоса,
5 — кулачковый валик топливного насоса,
6 — первая секция топливного насоса,
7 — моментоскоп,
8 — отрезок топливопровода высокого давления,
9 — резиновая трубка,
10 — стеклянная трубка,
11 — в.м.т. поршня,
12 — регулировочный хвостовик толкателя,
13 — толкатель,
14 — поршень,
15 — указатель,
16 — маховик;
А = 24 ± Iе (для дизеля Д-160) н 23±1° (для дизеля Д-160Б) — смешение метки ВМТ-1-4Ц на маховике относительно указателя,
В = 73±0,4 мм (для дизеля Д-160) и 72±0,4 мм (для дизеля Д-160Б) — расстояние от привалочной плоскости корпуса регулятора до оси впадины зубьев, отмеченной меткой,
Д = 45,5±0,05 мм (расстояние от верхней плоскости корпуса топливного насоса до опорной поверхности хвостовика толкателя).

После регулировки толкателей и установки секций проверяют момент начала подачи топлива секциями. На штуцер проверяемой секции навертывают моментоскоп и переставляют рычаг акселератора в положение максимальной подачи топлива. Затем, проворачивая коленчатый вал дизеля через пусковой двигатель, прокачивают топливо через моментоскоп, пока не появится непрерывная струя, несодержащая пузырьки воздуха.

При проверке начала подачи топлива моментоскопом в момент начала движения мениска 1 секции метка «ВМТ 1—4 цил» на ободе маховика не должна доходить на ходе сжатия до острия указателя на угол 24±1° для двигателя Д-160 и 23±1°—для двигателя Д-160Б. Поворачивая маховик на 180°, проверяют момент начала подачи топлива остальными секциями в порядке работы цилиндров (1—3—4—2).

Если топливный насос снят с двигателя, момент начала подачи топлива можно установить следующим образом: шестерню привода ставят так, чтобы расстояние В от середины впадины, отмеченной керном и цифрой 1 до привалочной плоскости корпуса регулятора было равно 73 ± 0,4 мм для двигателя Д-160 и 72 ± 0,4 мм — для двигателя Д-160Б. При этом от верхней плоскости корпуса насоса до опорного торца хвостовика толкателя должно быть 45,5 ± 0,05 мм. Далее, поворачивая валик насоса по часовой стрелке, точно так же устанавливают хвостовик у остальных секций насоса в порядке их работы (1—3—4—2).

При отклонении момента начала подачи топлива необходимо проверить правильность установки хвостовиков толкателей. Для небольшой подрегулировки момента начала подачи топлива правильный угол можно установить, изменяя положение хвостовика толкателя, как указано выше. Необходимо помнить, что излишнее выворачивание хвостовика толкателя приведет к тому, что плунжер упрется в гнездо обратного клапана.

Полный выход рейки от торца регулировочной муфты до плоскости корпуса топливного насоса должен быть равен 26,5 мм. За 500 ходов плунжера каждая секция насоса должна подавать для двигателя Д-160 115±1 см³ топлива при

600 мин-1 валика насоса и для двигателя Д-160—116±1 см³ при 500 мин-1 валика. При регулировке количества подаваемого секциями топлива рейка должна быть установлена так, чтобы регулировочная муфта касалась пружины корректора, не деформируя её; для этого под пружину корректора необходимо подложить щуп толщиной 2,8 мм для двигателя Д-160 и 3,6 мм — для двигателя Д-160Б.

После проверки момента начала подачи топлива и его регулировки необходимо проверить работу автоматического отключения второго и третьего цилиндров. Эта проверка осуществляется следующим образом. При работе двигателя на холостых оборотах отсоединяют трубки высокого давления от II и III секций. Если подачи топлива нет через обратные клапаны, то отключенные секции работают нормально; если подача есть, необходимо убедиться в отсутствии подачи топлива через форсунки. Для этого форсунку, отрегулированную на давление 19,6 МПа (200 кгс/см²), поочередно присоединяют ко II и III секциям; если при работе двигателя на холостых оборотах подачи топлива через форсунку нет, то отключенные секции работают нормально.

Второй и третий цилиндры должны выключаться из работы на режиме холостых оборотов.

При регулировке топливного насоса на стенде II и III секции должны прекращать подачу топлива через форсунки при выходе рейки на 11,2 мм для двигателя Д-160 и на 13,4 мм — для двигателя Д-160Б.

За счет допуска на равномерность можно отрегулировать четкое автоматическое выключение и включение подачи топлива II и III секциями, поворачивая зубчатый сектор на плунжере.

При загрузке двигателя автоматически включаются в работу все четыре цилиндра.

Для получения нормальной частоты вращения дизеля необходимо открыть крышку бокового люка корпуса регулятора (см. рис. 34) и установить тягу рейки в крайнее переднее положение, соответствующее полной подаче топлива.

Регулирующая муфта при этом должна соприкасаться с пружиной корректора без деформации пружины (подложить под пружину щуп толщиной 2,8 мм для двигателя Д-160 и 3,6 мм — для двигателя Д-160Б); грузики регулятора прижаты к вертикальному валику, а подвижная муфта регулятора — к роликам рычагов (торец муфты не должен доходить до сухариков грузиков на 1,5—3 мм).

Затем запускают дизель, наружный рычаг регулятора устанавливают в положение, соответствующее максимальной подаче топлива (рычаг акселератора передвигают в крайнее верхнее положение).

Коленчатый вал дизеля без нагрузки должен вращаться у двигателя Д-160 с частотой 1290— 1340 мин-1, у двигателя Д-160Б— 1250 мин-1; при работе с полной нагрузкой у двигателя Д-160 с частотой 1100—1160 мин-1, обеспечивая мощность 117,8 кВт, у двигателя Д-160Б—1070 мин-1, обеспечивая мощность 103 кВт.

Наружное плечо трехплечего рычага внутри регулятора должно упираться в торец упора максимальной частоты вращения.

Вращая регулировочный болт максимальной частоты вращения, уменьшают или увеличивают частоту вращения дизеля, доводя ее до указанных величин. Регулировку осуществляют при снятой крышке регулятора, которая закрывает регулировочные болты регулирующих муфт. При . передвижении рычага акселератора вниз до упора дизель должен развивать минимальную частоту вращения 550 мин-1, при этом внутреннее плечо трехплечего рычага внутри регулятора должно упираться в торец упора минимальной частоты вращения.

Регулировку минимальной частоты вращения проводят в таком порядке. Вначале отсоединяют регулировочную тягу, соединяющую акселератор с наружным рычагом регулятора. Затем переводят наружный рычаг регулятора вперед до тех пор, пока в регуляторе внутреннее плечо трехплечего рычага не дойдет до торца упора минимальной частоты вращения. Поворачивая регулировочный болт минимальной частоты вращения, добиваются нужной частоты. После этого присоединяют регулировочную тягу акселератора.

Обороты дизеля замеряют тахометром, присоединяемым к валику привода работомера (со снятой крышкой на корпусе работомера). Валик привода работомера вращается в два раза медленнее коленчатого вала.


Возможные неисправности двигателя Т-130М и его систем

При ухудшении работы двигателя, выражающемся в появлении дымного выхлопа, падении мощности, пропуска вспышек и затрудненном пуске, следует проверить в первую очередь топливные фильтры, топливную аппаратуру и воздухоочиститель.

В таблице приведены наиболее часто встречающиеся неисправности двигателя и его систем и способы их устранения.

Неисправности двигателя Т-130М
Неисправность Причина неисправности Способ устранения
Дизельный двигатель не запускается или работает с перебоями В топливной аппаратуре образовались воздушные мешки Заполнить топливом систему питания, удалив из нее воздух
Не прогрет двигатель Прогреть дизельный двигатель пусковым, а при пуске в холодную погоду применить меры, изложенные в разделе «Обслуживание трактора в холодное время года»
Нет топлива в баке Наполнить бак топливом
Закрыт проходной кран бака Открыть кран
Рычаг декомпрессора не установлен в рабочее положение Поставить рычаг в рабочее положение
Рычаг акселератора находится не в пусковом положении Поставить рычаг в пусковое положение
Засорен топливопровод Промыть и прочистить топливопровод
Засорены топливные фильтры Слить отстой из корпуса фильтров грубой очистки. Промыть фильтр. Удалить верхний слой намотки и фильтрующую бумагу с каждого элемента тонкой очистки, а если это сделано раньше, заменить элементы
Изношены пара плунжер — гильза или поршневые кольца Заменить изношенные детали. Заменить секцию
Завис обратный клапан секции насоса или сломана его пружина Заменить секцию.
Форсунка плохо распыливает топливо Отрегулировать форсунку или заменить ее
Дизель не развивает полной мощности Засорен воздухоочиститель Промыть и очистить мультициклонный очиститель. Продуть, промыть или сменить бумажные фильтр-патроны
Сломалась пружина клапана Заменить пружину
Закоксовались распыливающие отверстия форсунки Прочистить распыливающие отверстия специальной иглой
Неисправна форсунка Заменить форсунку
Изношены плунжер и гильза секции насоса Заменить секцию топливного насоса
Пропускает обратный клапан секции насоса Заменить обратный клапан вместе с гнездом
Неплотные соединения в топливной системе Подтянуть крепления и соединения
Топливоподкачивающий насос не подает топливо Найти причину и устранить ее (см. табл. 2)
Перегревается дизельный двигатель Мало воды в системе охлаждения, загрязнен радиатор Долить воду в радиатор, загрязненный радиатор необходимо очистить и промыть
Слабо натянуты или изношены ремни вентилятора Отрегулировать натяжение ремней или заменить их
Недостаточно смазки Остановить двигатель и проверить уровень масла в картере.
Если масла недостаточно, долить его
Дизель перегружен Уменьшить нагрузку до нормальной
Дизель стучит Топливный насос после ремонта установлен с большим опережением подачи топлива (глухие стуки в верхней части блока) Проверить регулировку момента начала подачи топлива
Разрегулировалсь клапаны (легкий металлический стук) Отрегулировать зазор между стержнем клапана и коромыслом
Стук поршневого пальца напоминает слабые, легкие удары молоточка о наковальню Заменить изношенные детали
Глухой и четкий стук поршня прослушивается по всей длине блока; при выключении подачи топлива стук поршня исчезает по всей длине блока При замене, изношенных деталей новыми стук прекращается
Шатунные подшипники издают глухие удары, прослушиваемые, по всей длине блока; при выключении подачи топлива стук исчезает (большой зазор между шейками коленчатого вала и шатунными вкладышами) Заменить изношенные вкладыши
Стук коренных подшипников сходен со стуком шатунных и прослушивается в нижней части картера (большой зазор между шейками коленчатого вала и коренными вкладышами) То же
Дымный выхлоп светло-синей или темно-синей окраски В камеру сгорания дизельного двигателя попадает много картерного масла По мере выгорания накопившегося масла дымный выхлоп исчезает. Проверить исправность турбокомпрессора
Дымный выхлоп белой окраски Не полностью сгорает топливо. В цилиндрах двигателя не происходит вспышек топлива Определить неработающие цилиндры путем выключения из работы отдельных цилиндров
Слишком холодный двигатель Прогреть двигатель
Недостаточная компрессия вследствие пропуска воздуха в клапанах или через поршневые кольца Притереть клапаны, а изношенные поршневые кольца заменить новыми
Наличие воды в топливе Заменить топливо
Плохое топливо То же
Дымный выхлоп коричневой или черной окраски Большая подача топлива или недостаточно воздуха для сгорания топлива; плохо распыливается топливо форсунками; большой угол опережения момента начала подачи топлива (дымный выхлоп сопровождается потерей мощности и жесткой работой двигателя); мал угол опережения момента начала подачи топлива (дымный выхлоп сопровождается потерей мощности при мягкой или спокойной работе двигателя); пропуск масла через клапаны или через поршневые кольца Провести техническое обслуживание воздухоочистителя (продуть, промыть или заменить бумажные фильтр-патроны). Проверить исправность турбокомпрессора и при необходимости заменить его. Установить правильный угол опережения момента подачи топлива
Неисправны форсунки Заменить неисправные форсунки
Износ поршней и гильз Изношенные поршни и гильзы заменить новыми
Неисправны обратные клапаны секций топливного насоса Проверить клапан, промыть его и слегка притереть, без притирочной пасты
Топливный насос после ремонта или разборки неправильно отрегулирован или неправильно установлен Проверить установку шестерен по меткам, проверить момент начала подачи топлива секциями, при необходимости отрегулировать их или заменить насос
Высокий уровень масла в картере и высокое давление масла Подрегулировать давление масла, доведя его до нормы
Неправильно отрегулированы зазоры в клапанах Отрегулировать зазоры
Поломана пружина толкателя топливного насоса Заменить пружину
Неправильно отрегулирован зазор между штангой декомпрессора и коромыслом Отрегулировать зазор
Неисправен турбокомпрессор Заменить турбокомпрессор
Дым из сапуна Износ поршневых колец, поршней и гильз Разобрать и отремонтировать двигатель
Задир подшипников коленчатого вала То же
Дизель внезапно останавливается Нет топлива в баке Наполнить бак топливом
В топливную систему попал воздух Удалить воздух и заполнить систему питания топливом
Засорился топливный фильтр Заменить элементы топливного фильтра
Засорился или оборвался топливопровод Проверить топливопровод и при необходимости прочистить и отремонтировать его
Вода в топливе Слить все топливо, залить чистое в топливный бак
Не работает топливоподкачивающий насос Исправить топливоподкачивающий насос
Заклинен поршень из-за недостатка смазки и перегрева двигателя Вынуть поршень, проверить и в случае необходимости заменить новым; проверить гильзу, при необходимости заменить новой; промыть смазочную систему и заполнить ее свежим маслом
Указатель давлений масла показывает низкое давление Мало масла в картере Долить масло в картер
Засорился масляный фильтр Промыть масляный фильтр (ротор, каналы, клапаны)
Неисправен указатель давления масла Отремонтировать или заменить указатель давления масла
Загрязнена сетка маслоприемника масляного насоса Очистить и промыть сетку
Утечка в маслопроводах Устранить утечку
Износились шатунные и коренные подшипники Заменить изношенные вкладыши
Повреждена прокладка между блоком и масляным насосом Заменить прокладку
Повышенный расход масла Неправильно поставлены вторые и третьи конусные кольца Поставить кольца торцом с меткой «верх» к днищу поршня
Поршневые кольца сильно изношены, поломаны или их заклинило в канавках поршня Заменить поршневые кольца
Велик торцевой зазор между поршневыми кольцами и канавками поршня Заменить поршневые кольца, а при необходимости и поршни
Утечка масла через прокладки и сальники Устранить течь
Велик зазор между стержнями всасывающих клапанов и направляющими втулками Заменить клапаны или втулки или то и другое
Износ, овальность или конусность гильз цилиндров выше допустимых пределов Заменить гильзы
Велик зазор между поршнем и гильзой цилиндров Заменить гильзы и поршни
Велико давление масла Отрегулировать давление регулировочными прокладками редукционного клапана масляного насоса
Преждевременно изнашиваются поршневые кольца Не выполняются указания по смазыванию Тщательно и своевременно выполнять указания, приведенные в гл. 10 «Обслуживание воздухоочистителя» и «Смазывание трактора»
Плохой уход за воздухоочистителем
Подсасывается воздух и пыль попадает в масло
Двигатель